Here is my new project : The MiniTiouner Pro.
You can build it by yourself by using 2 Mini module FT2232H, or buy it already built for the same price.
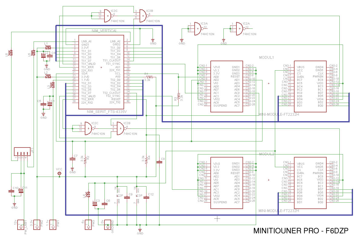
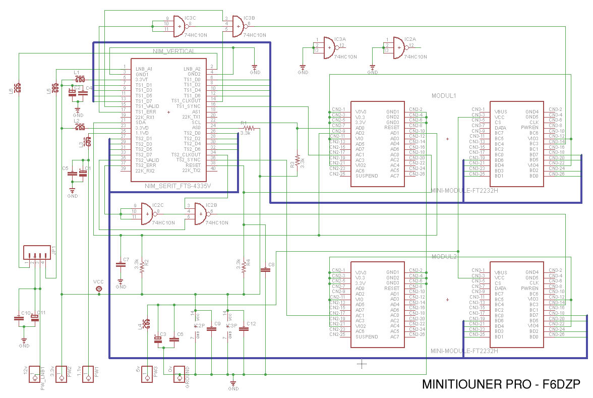
The schematic is near twice the schematic used for the MiniTiouner.
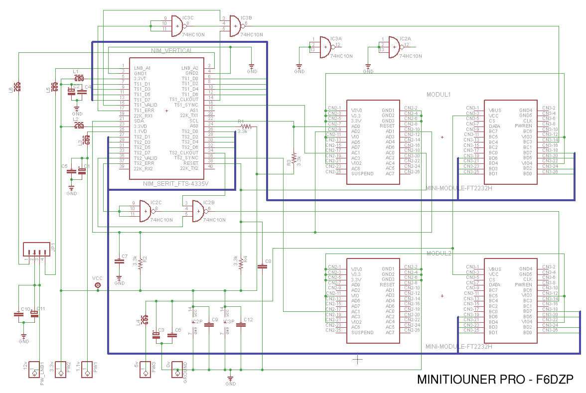
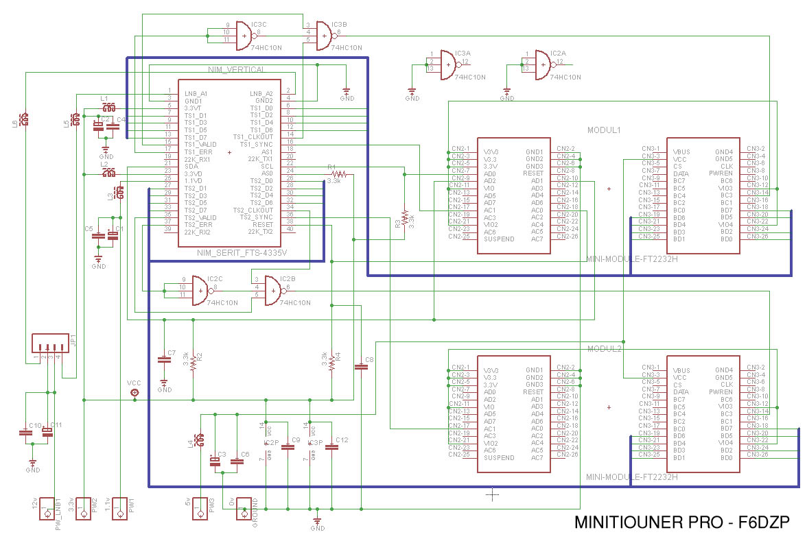
Basic Schematic using 2 mini-modules:

- schéma avec 2 minimodules1.jpg (201.53 Kio) Vu 27160 fois
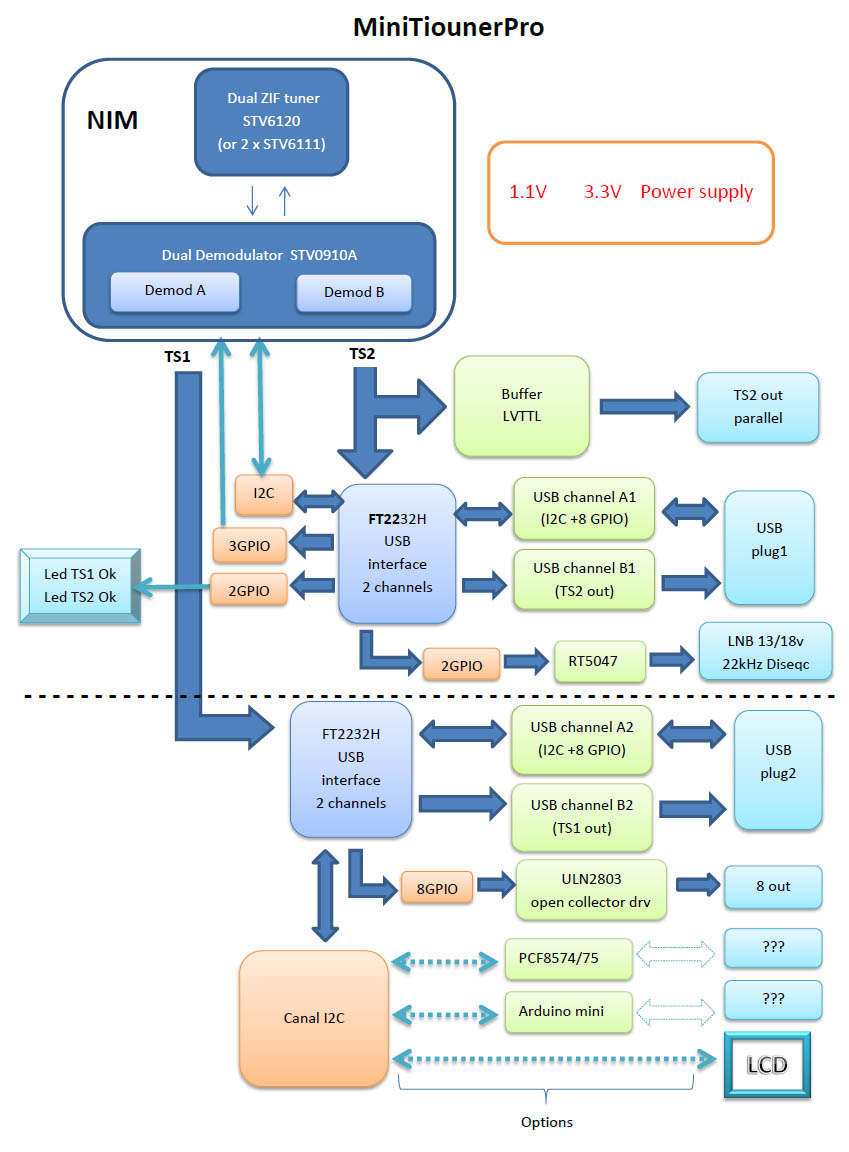
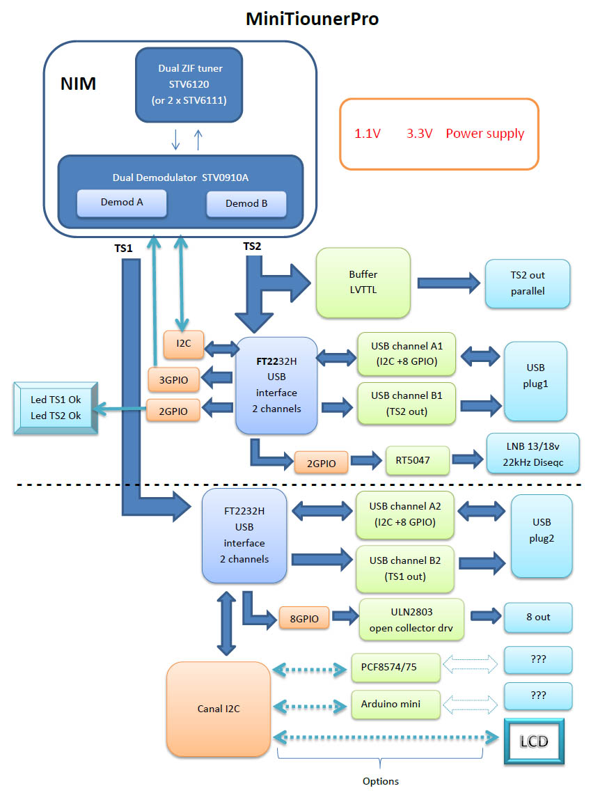
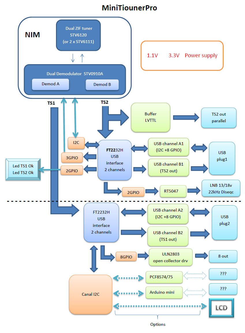
But I have also added new possibilities:

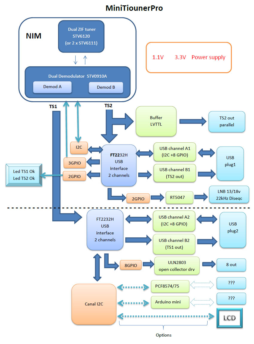
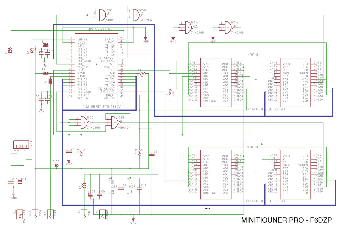
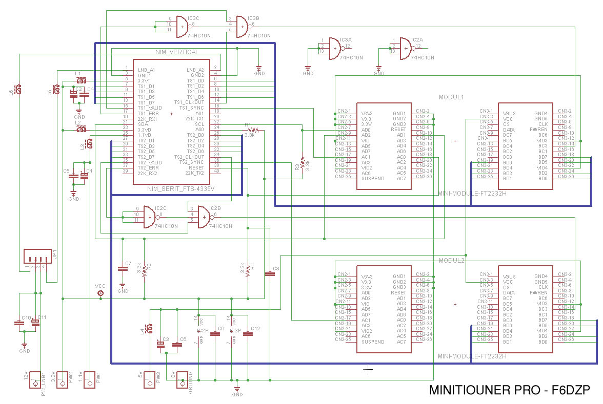
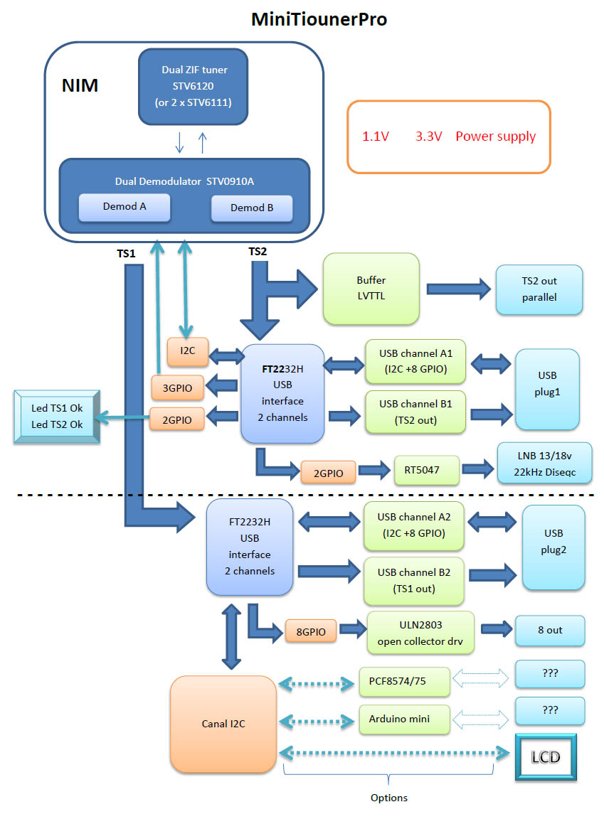
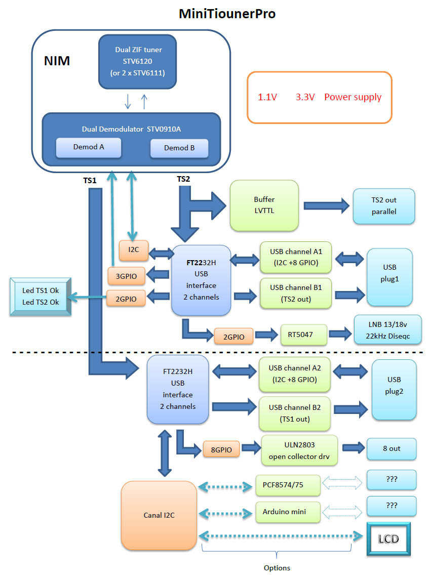
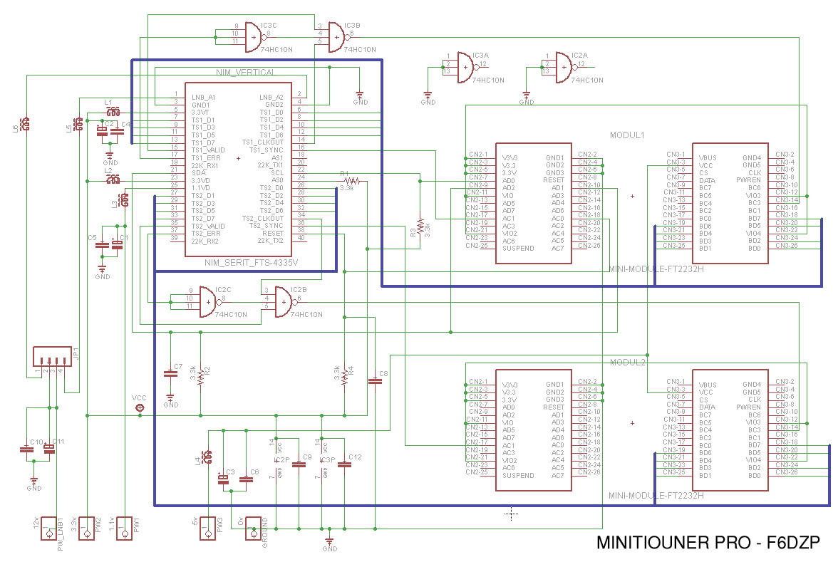
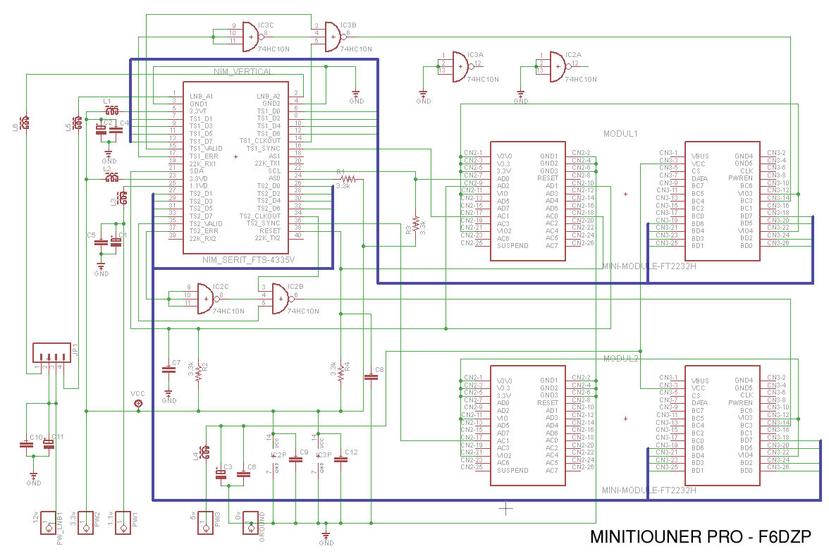
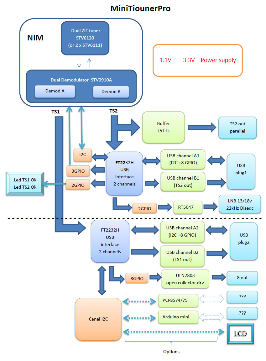
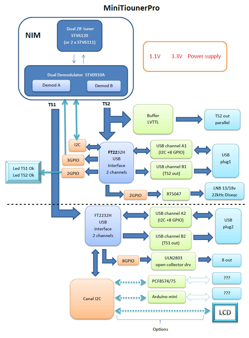
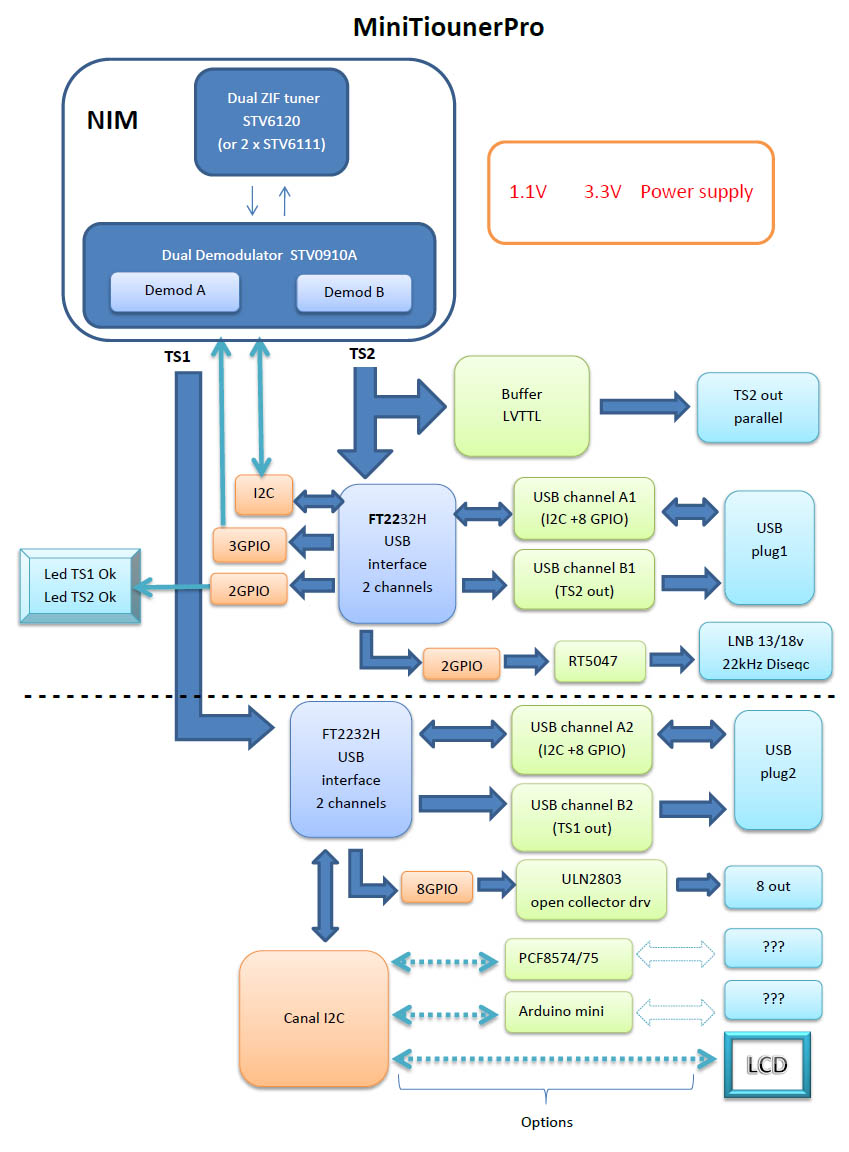
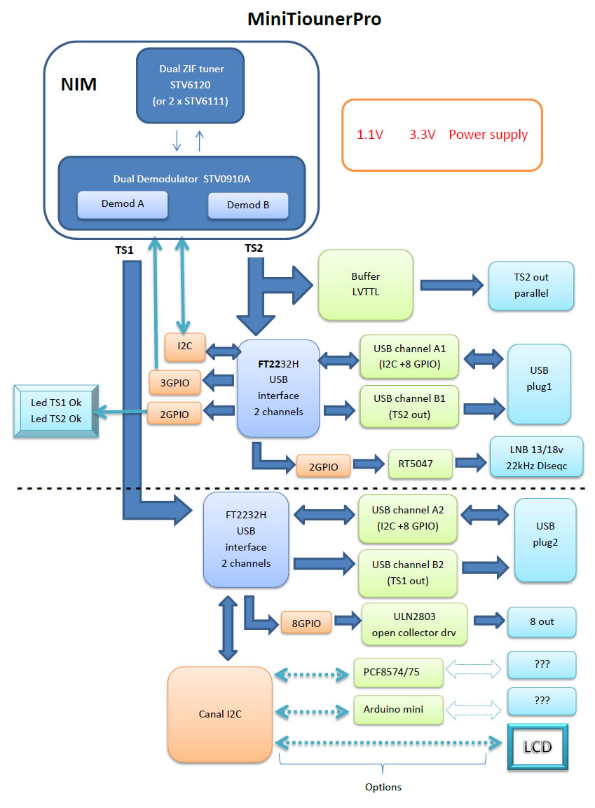
- MiniTiounerPro synoptic3.jpg (161.81 Kio) Vu 27161 fois
.... explanation ...to do

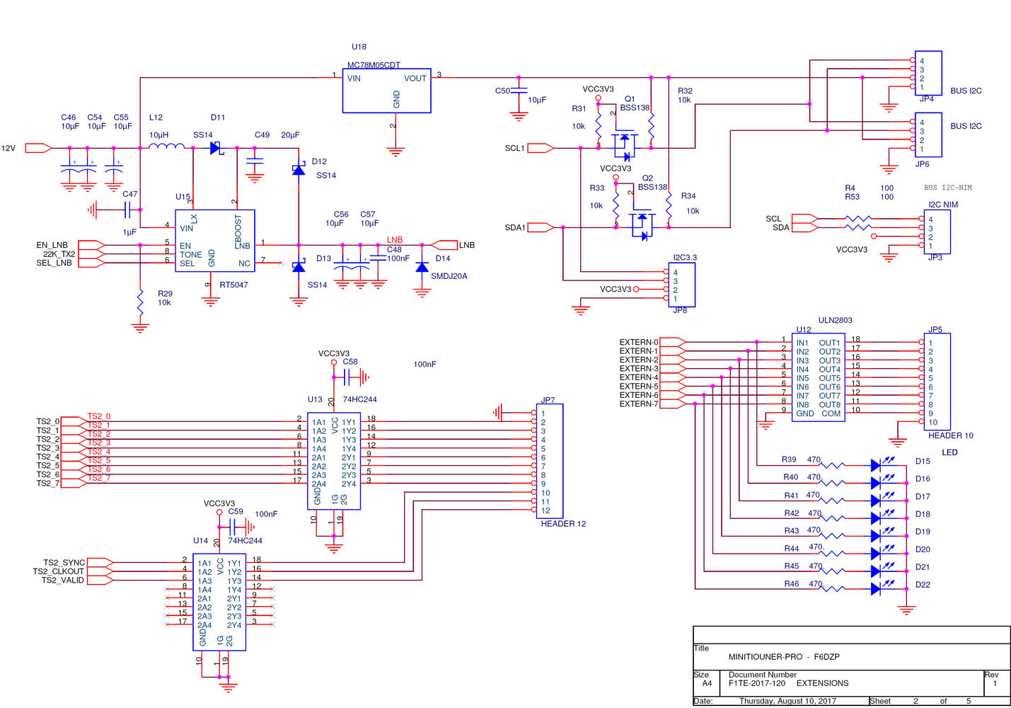
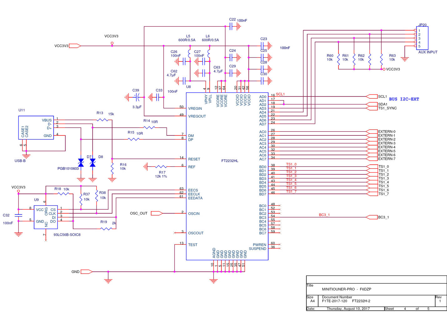
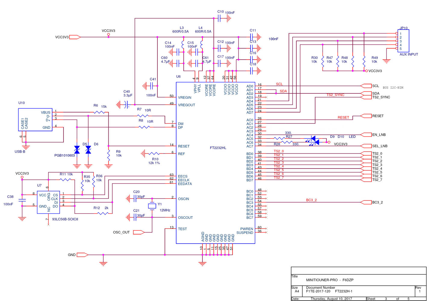
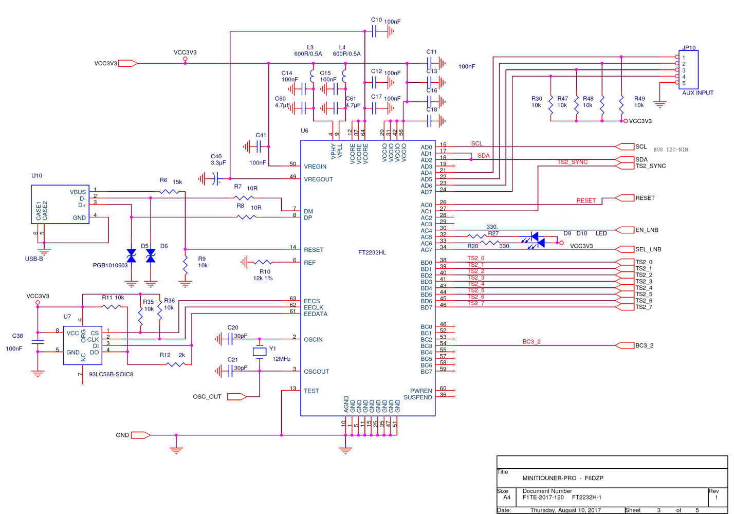
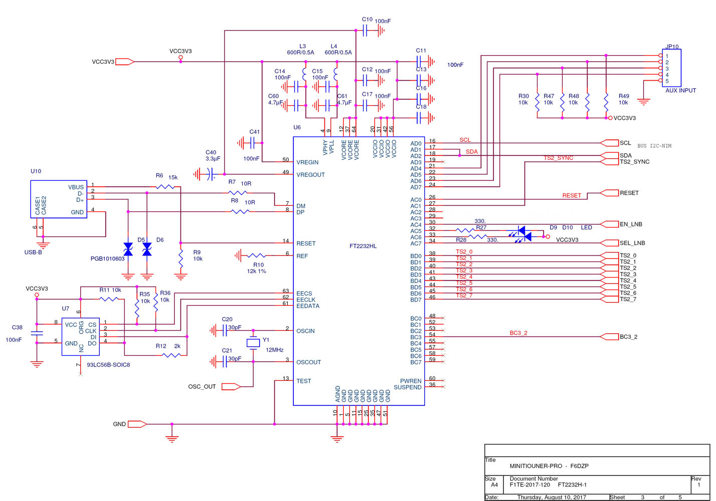
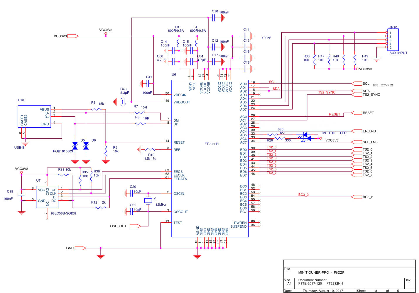
- first FT2232H.jpg (71.89 Kio) Vu 27160 fois
.... explanation ...to do

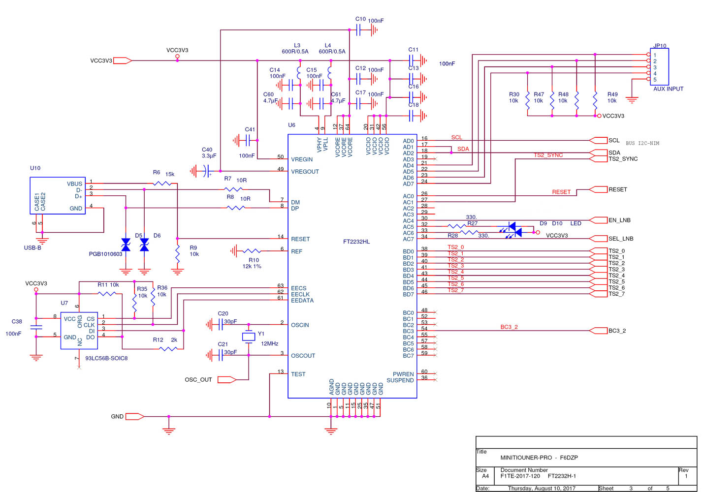
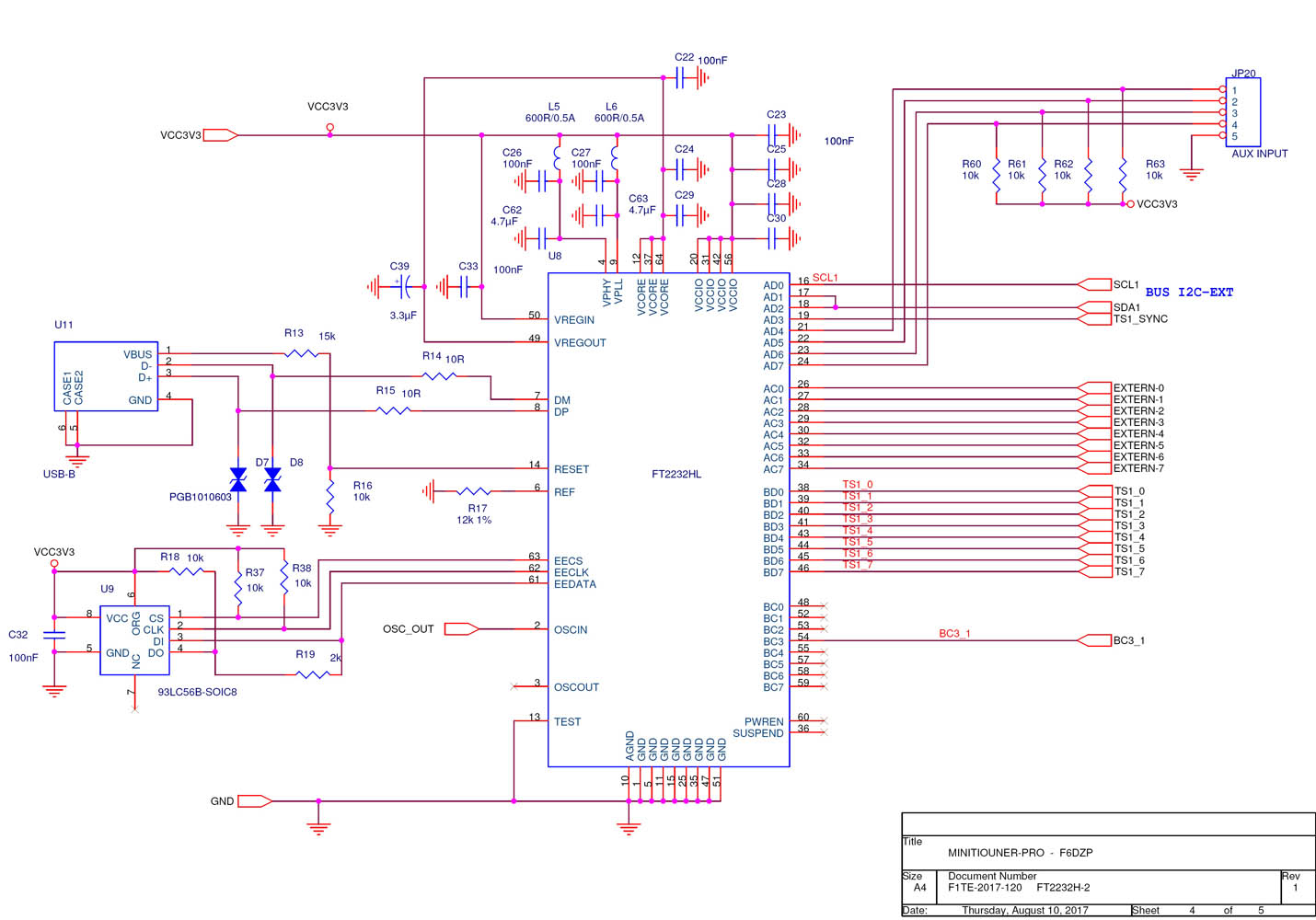
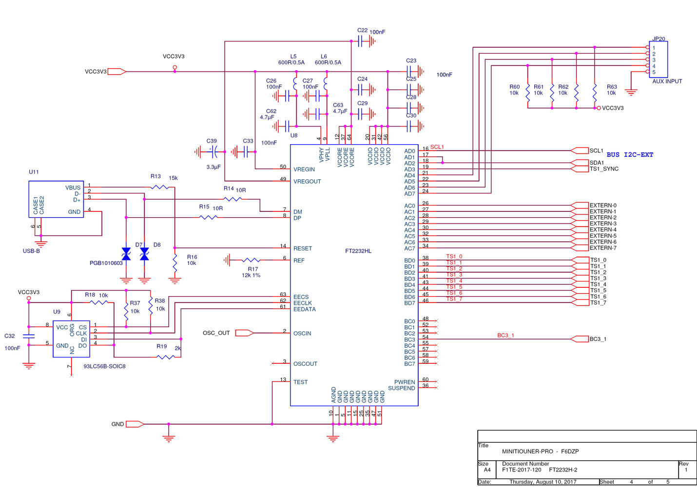
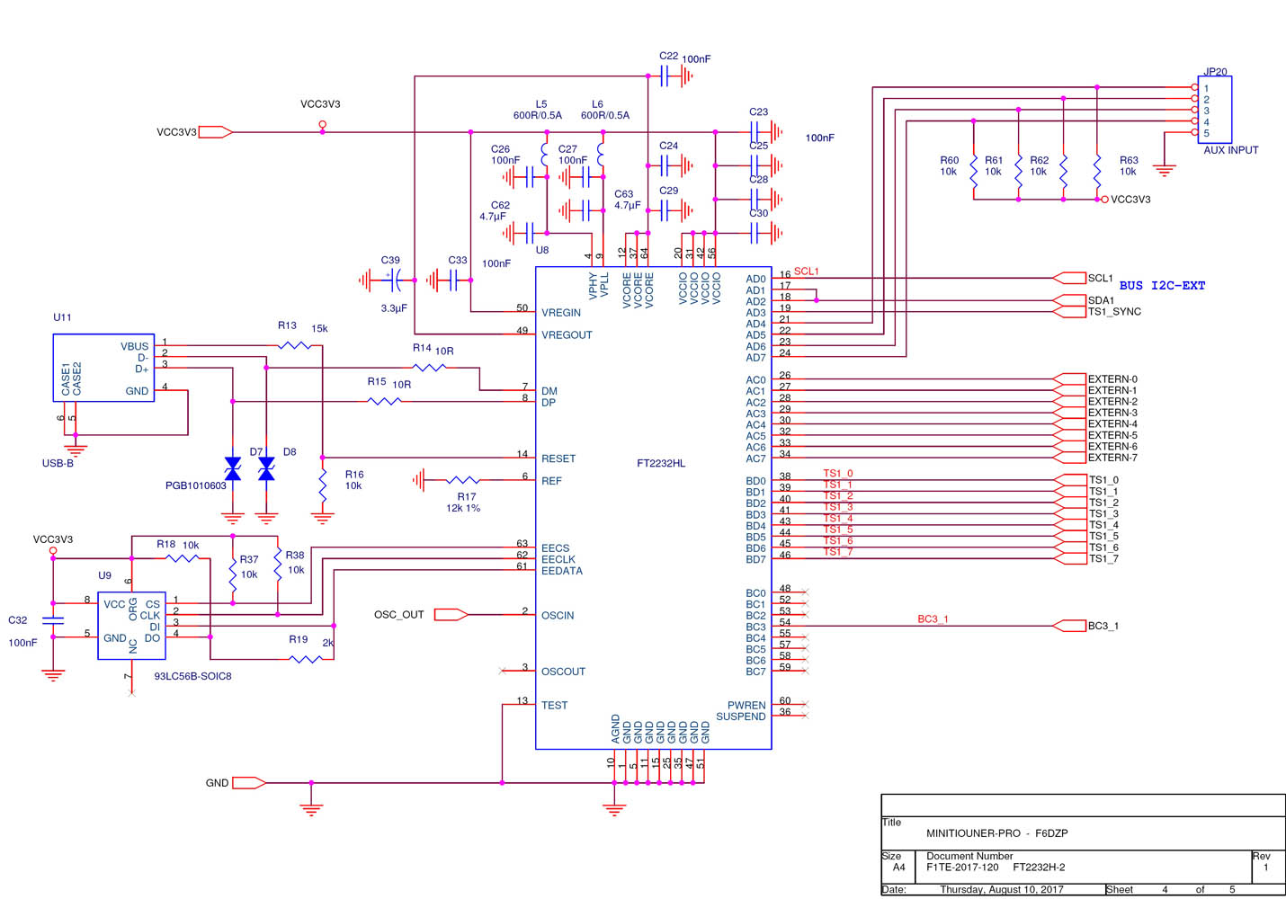
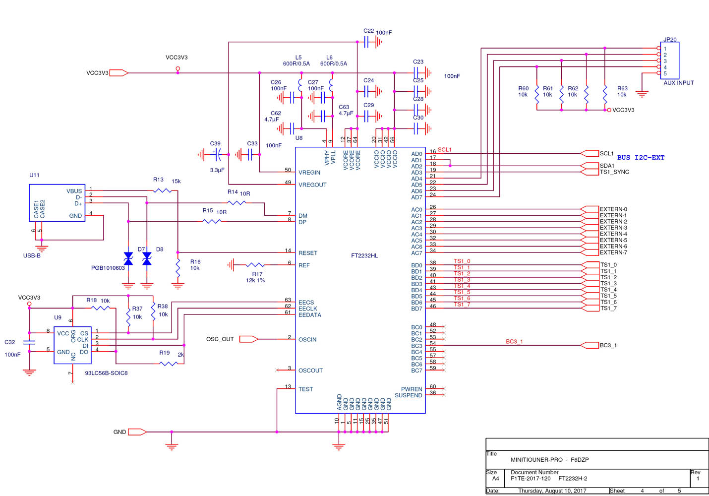
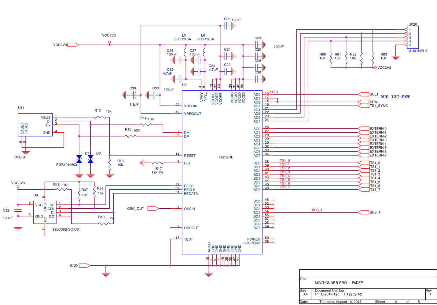
- second FT2232H.jpg (72.03 Kio) Vu 27161 fois
.... explanation ...to do
Now with our national association (REF) we can also offer the MiniTiounerPro already built ( available in Octiober)
prototype:

- carte avec OLED_.jpg (138.52 Kio) Vu 27160 fois
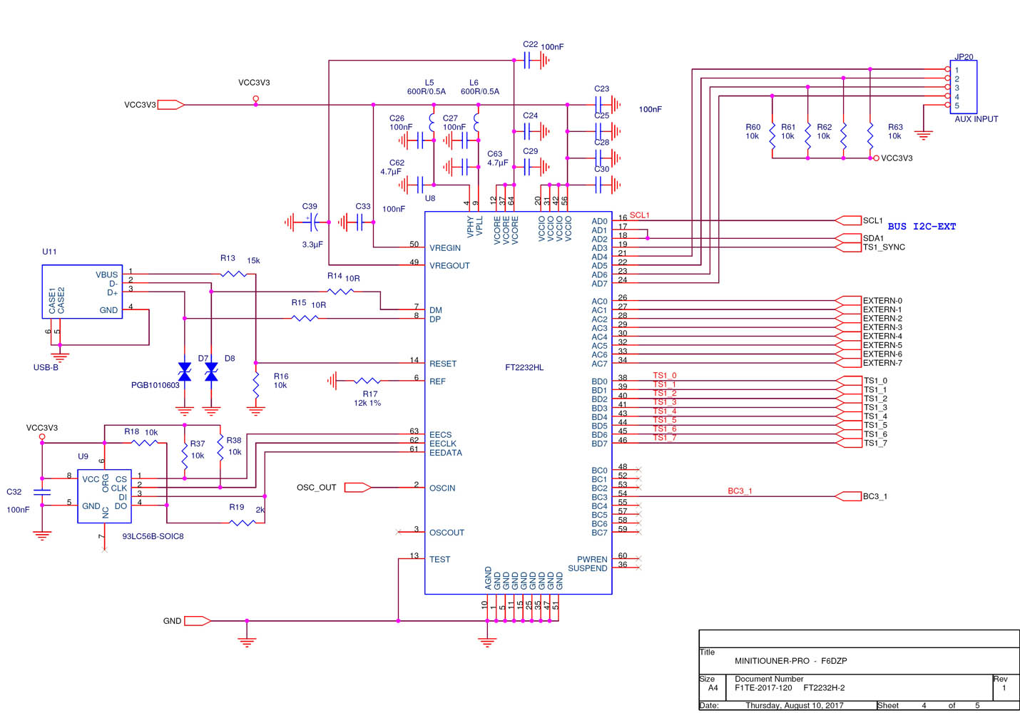
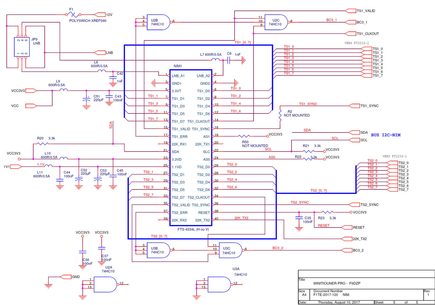
Schematics:

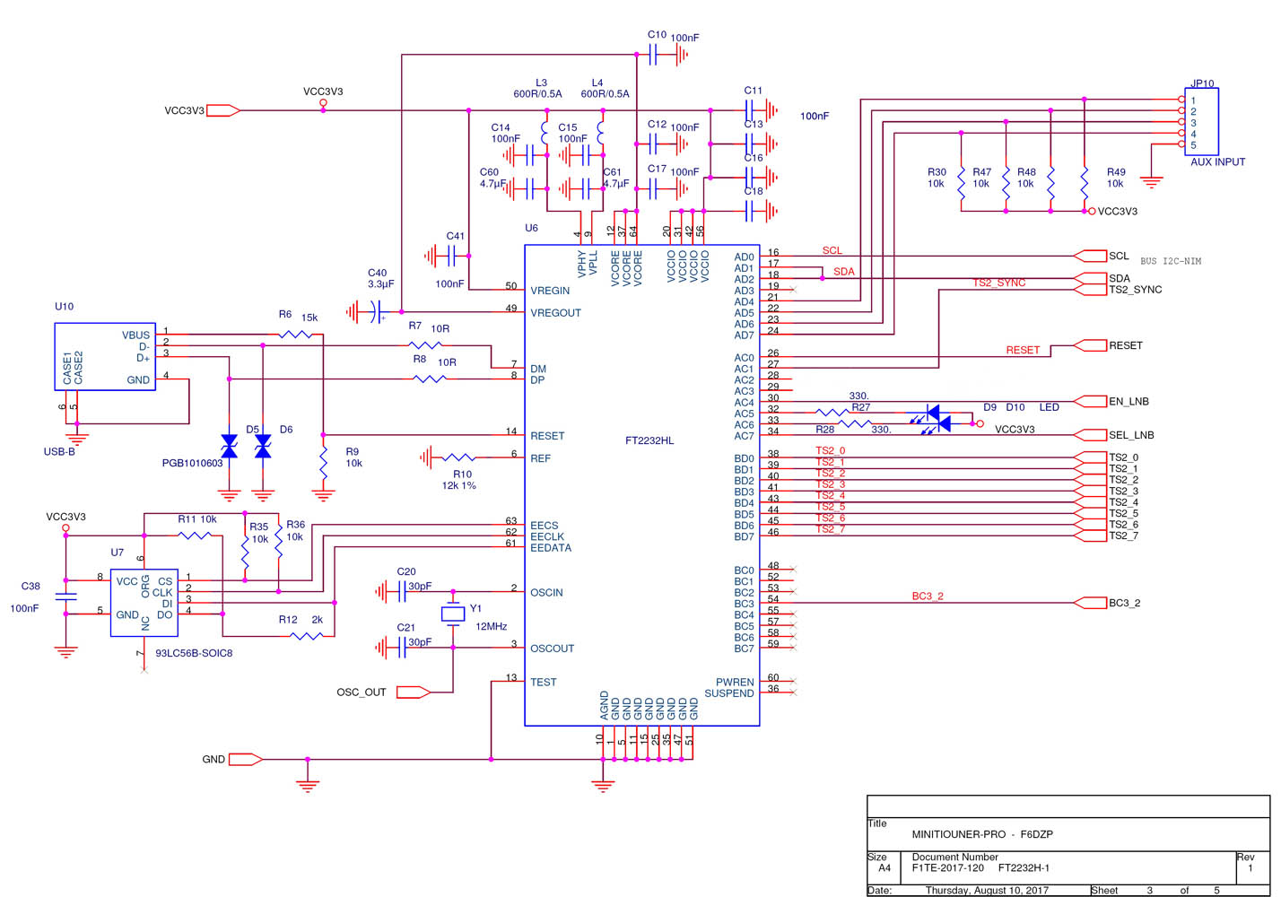
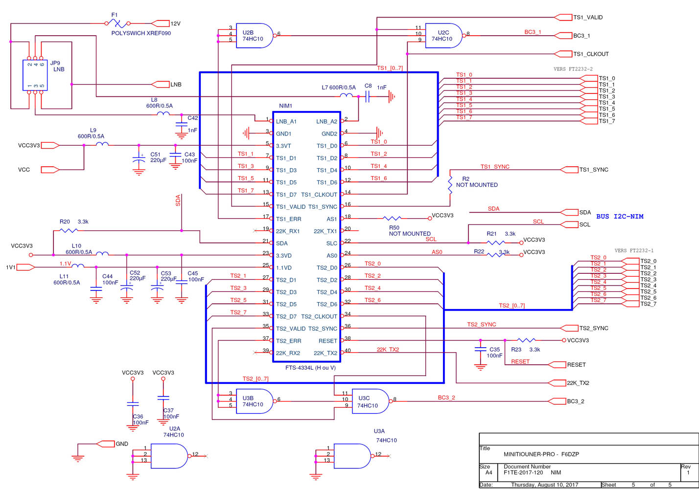
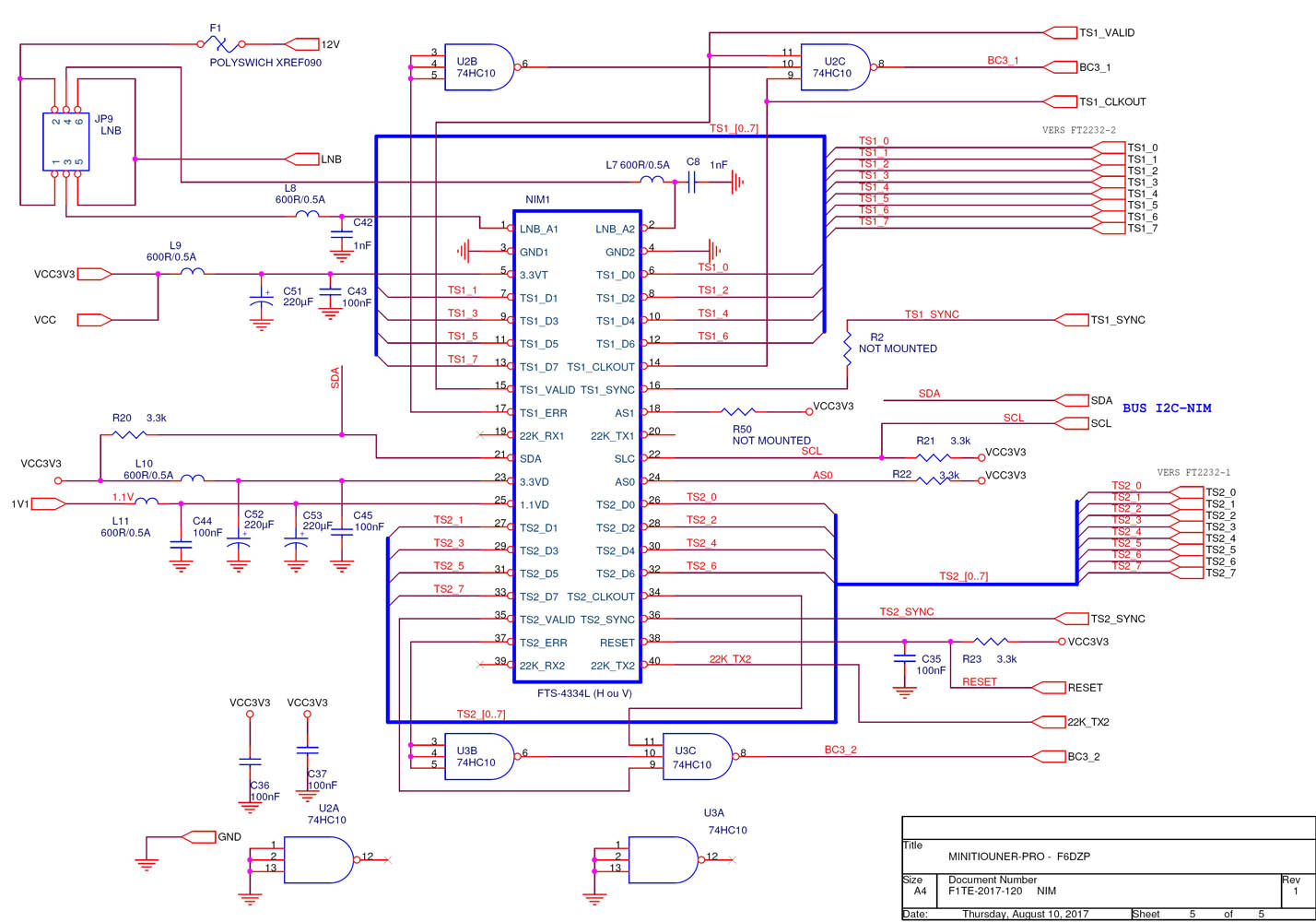
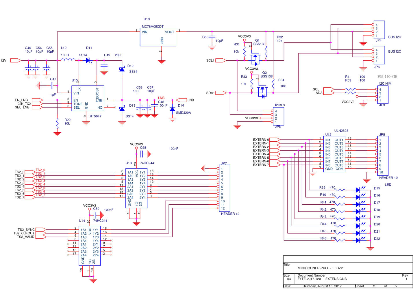
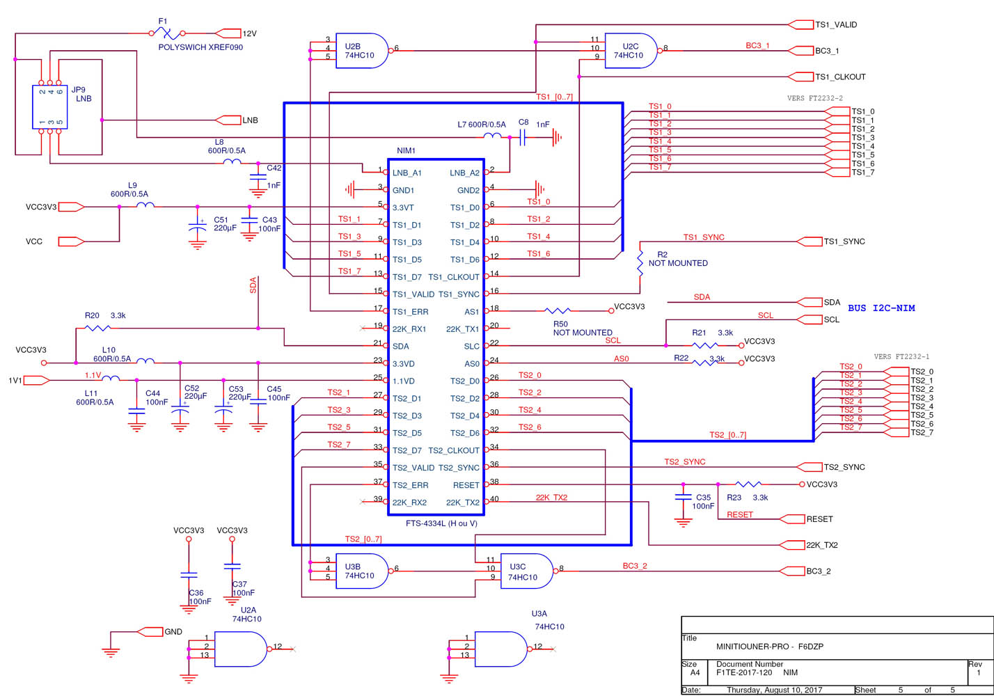
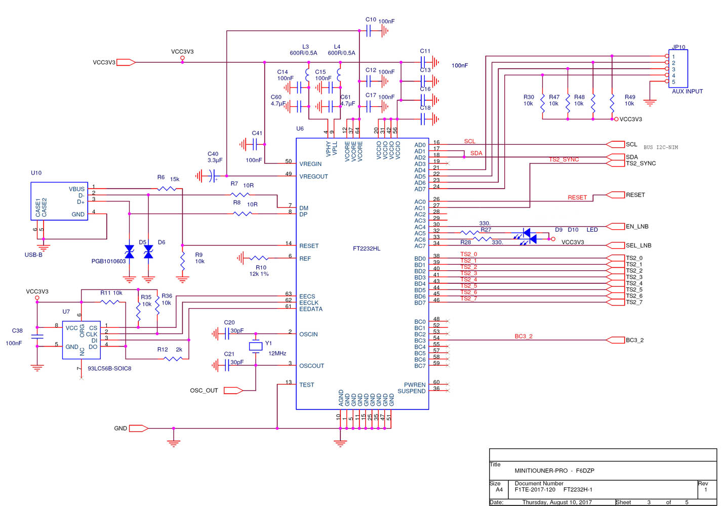
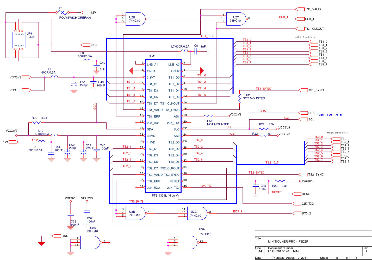
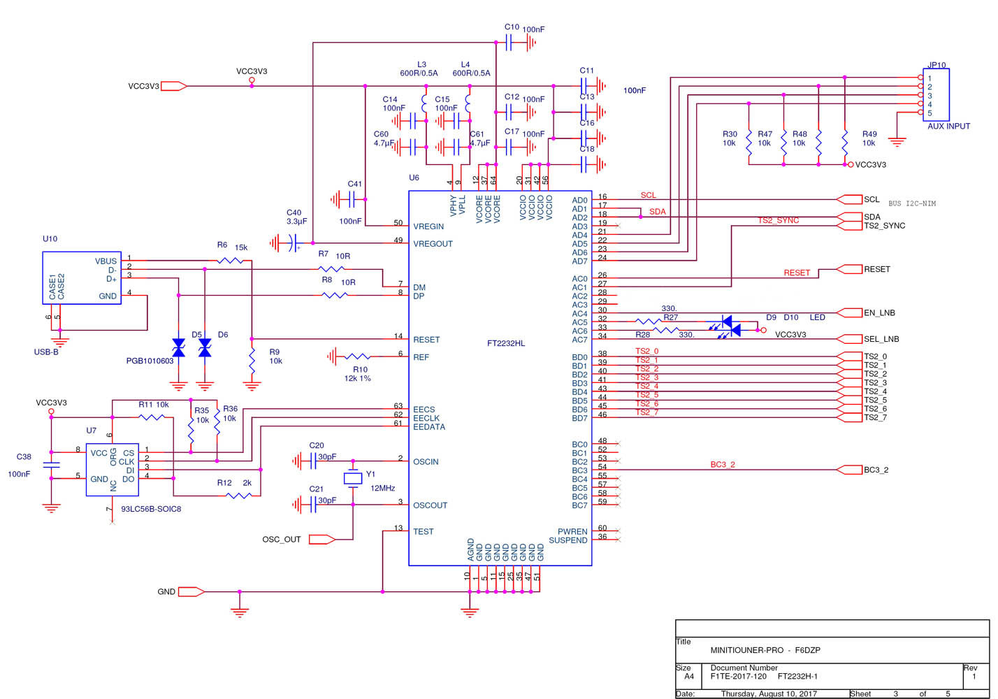
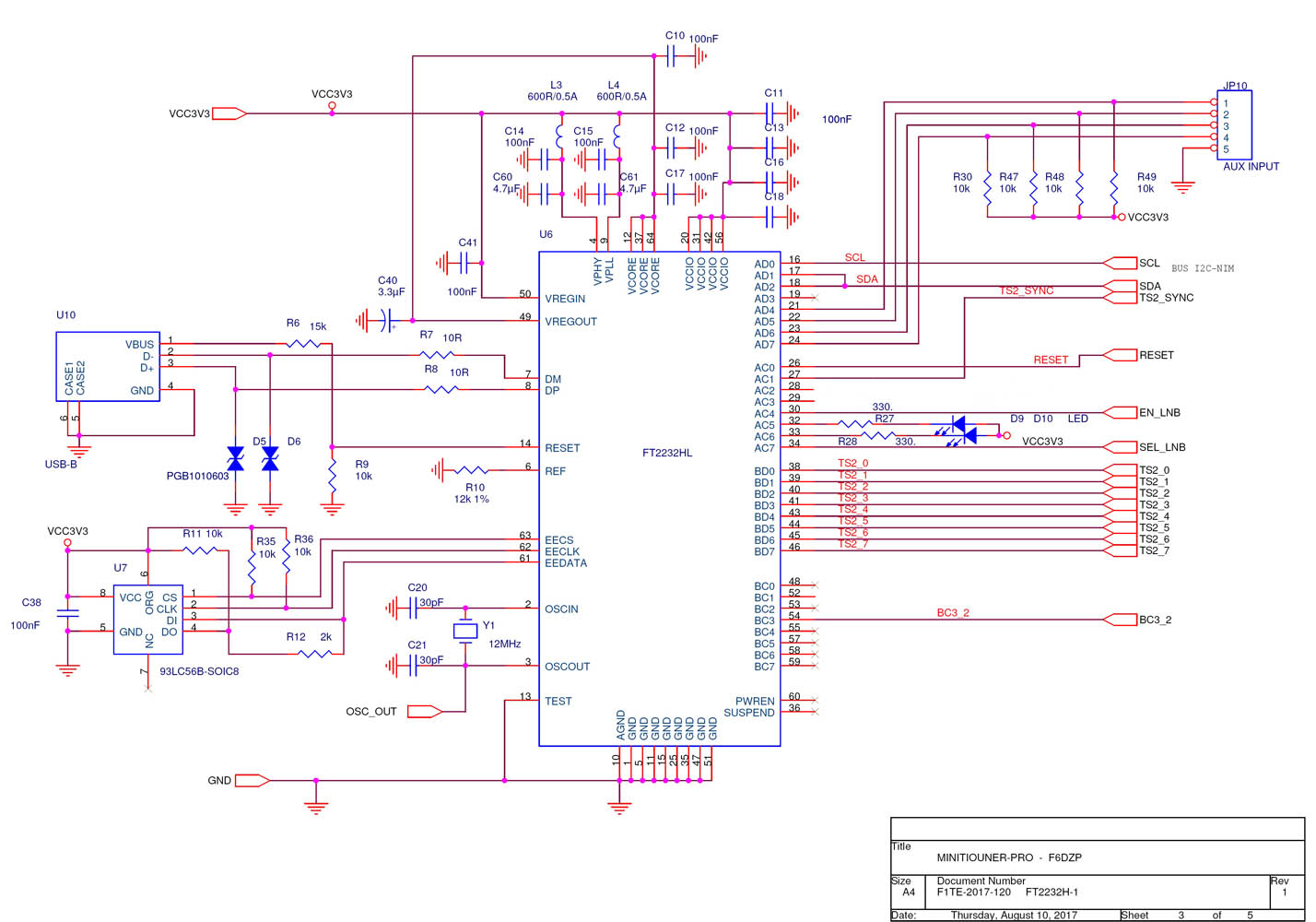
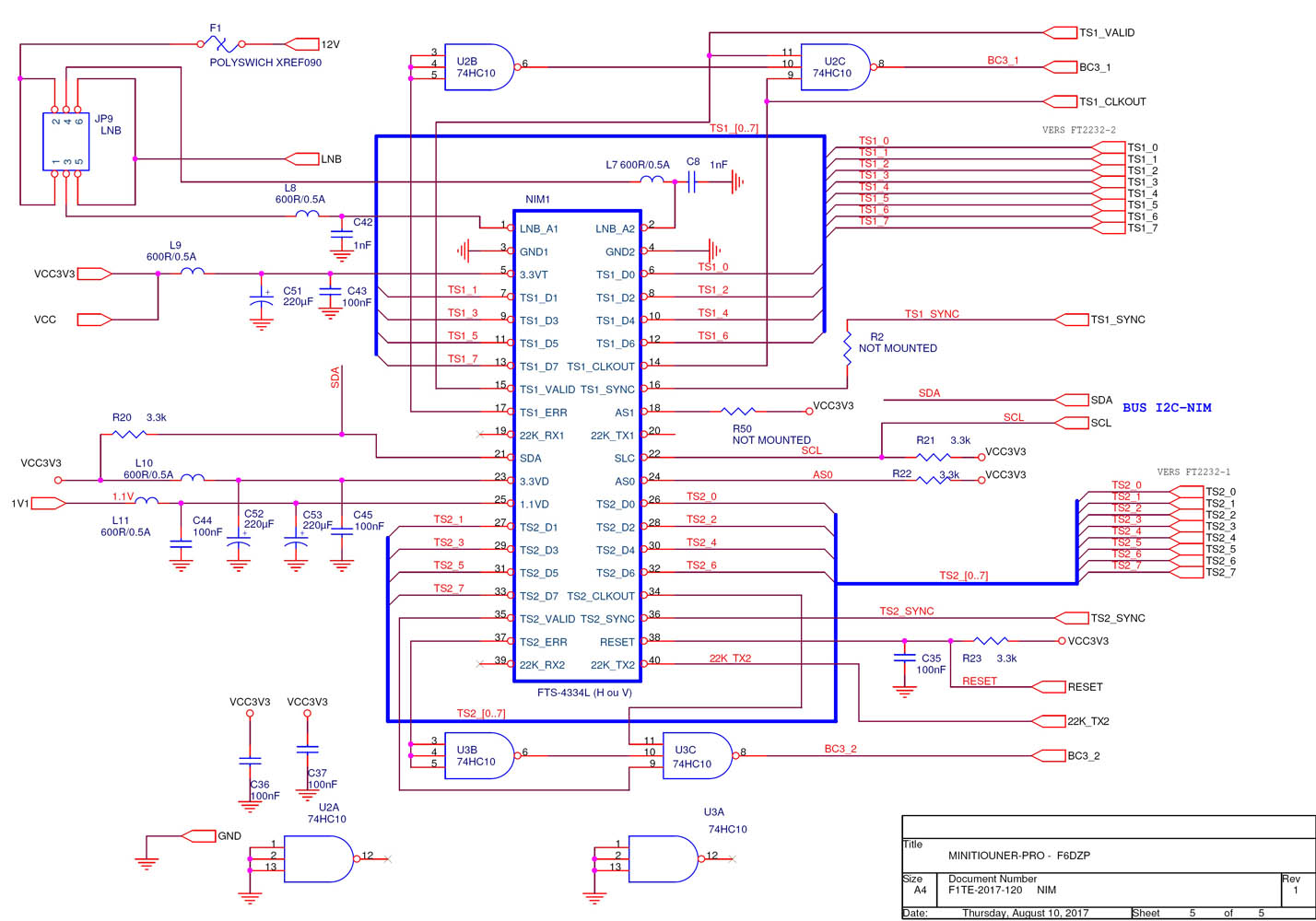
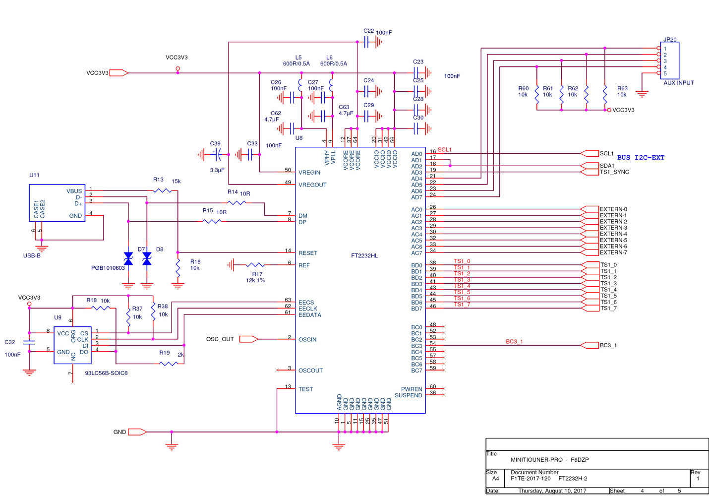
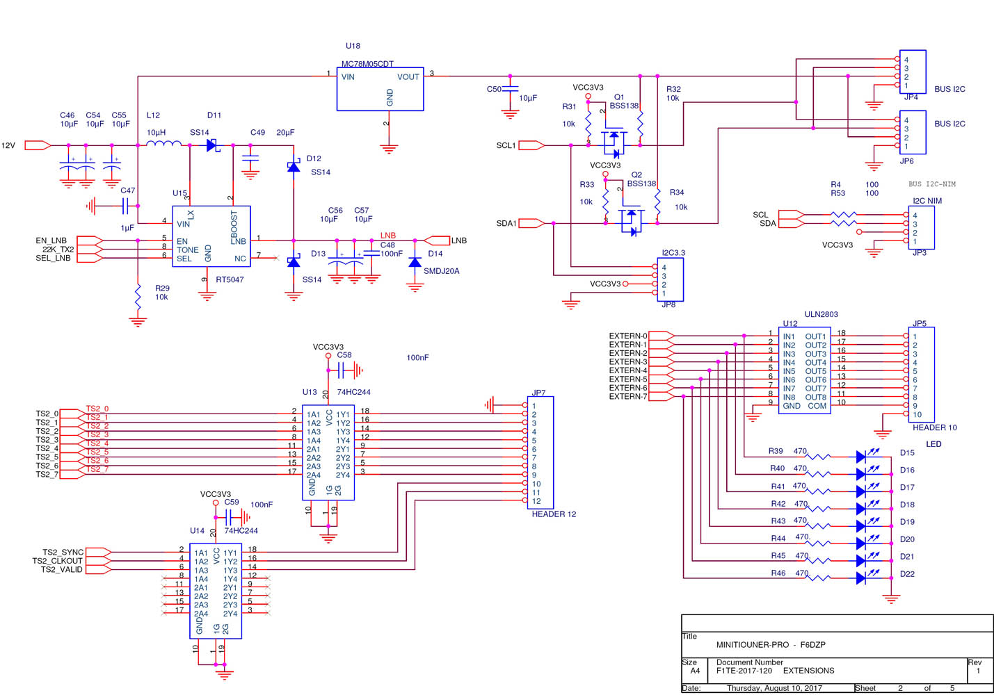
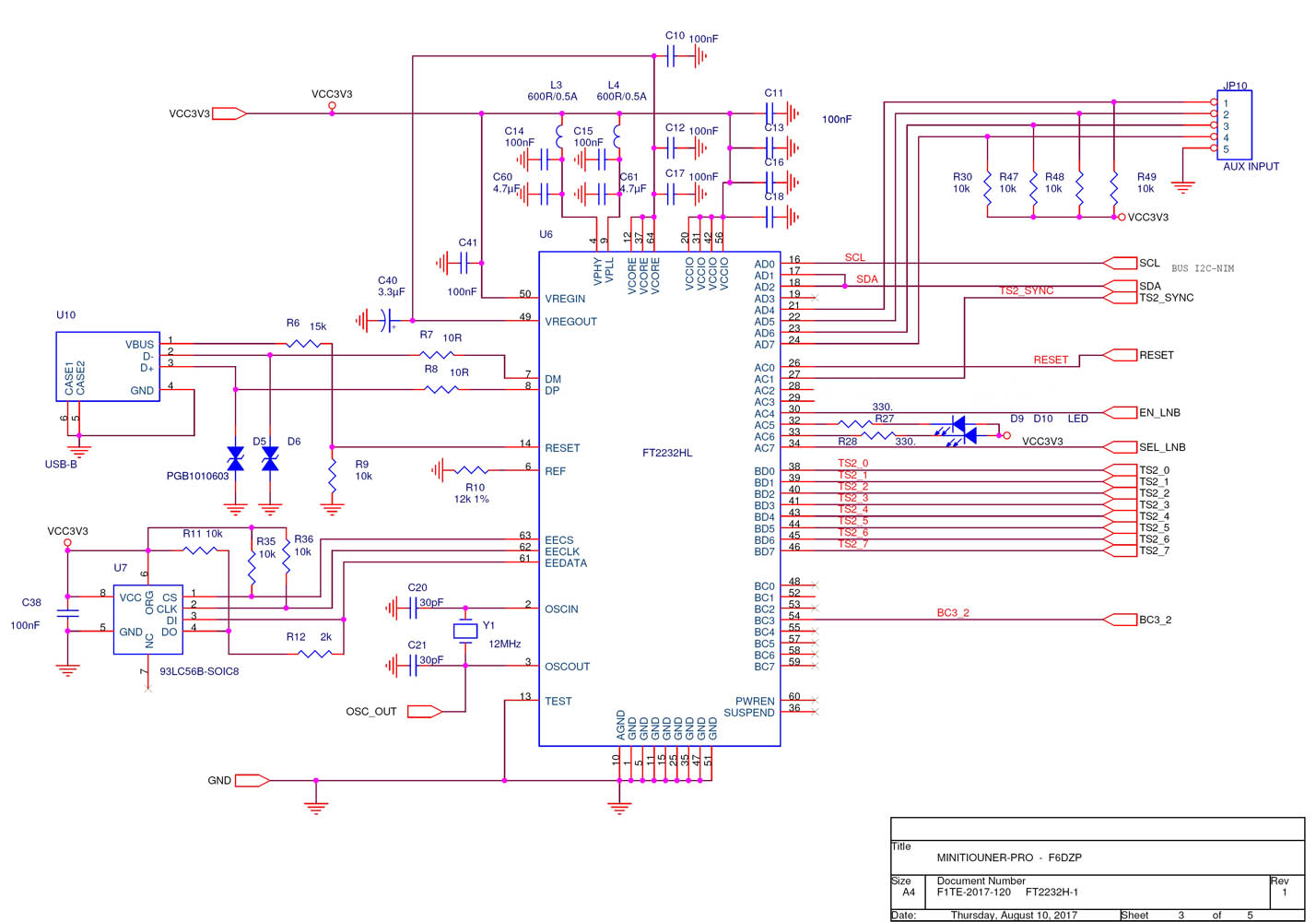
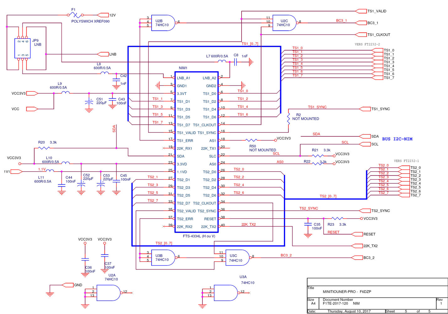
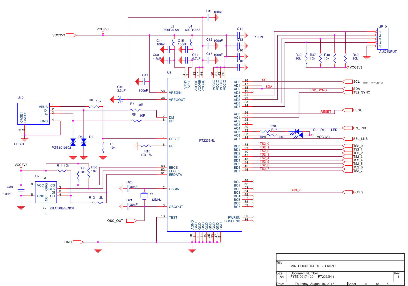
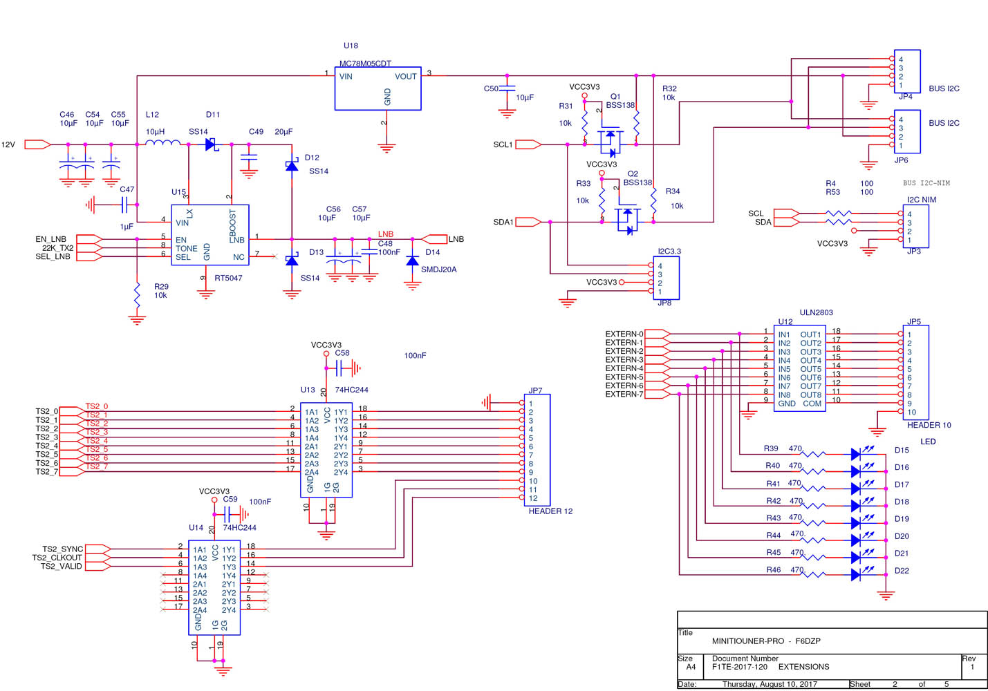
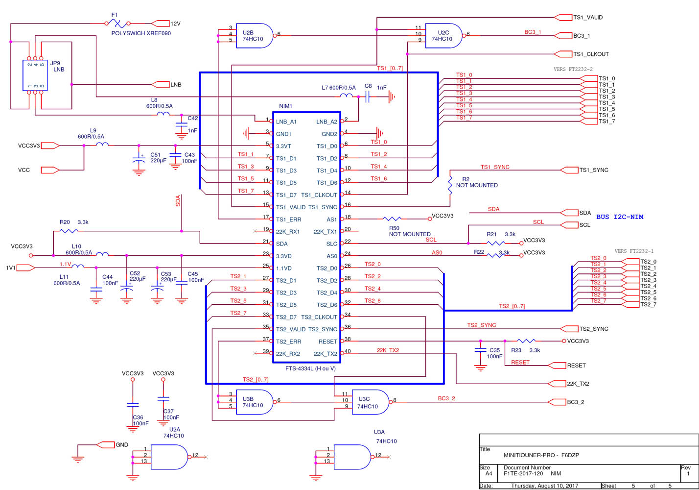
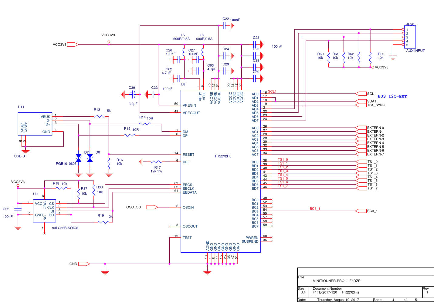
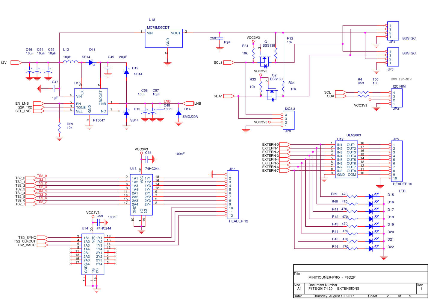
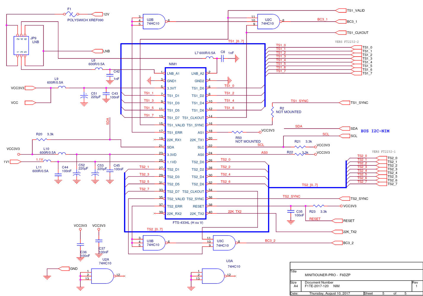
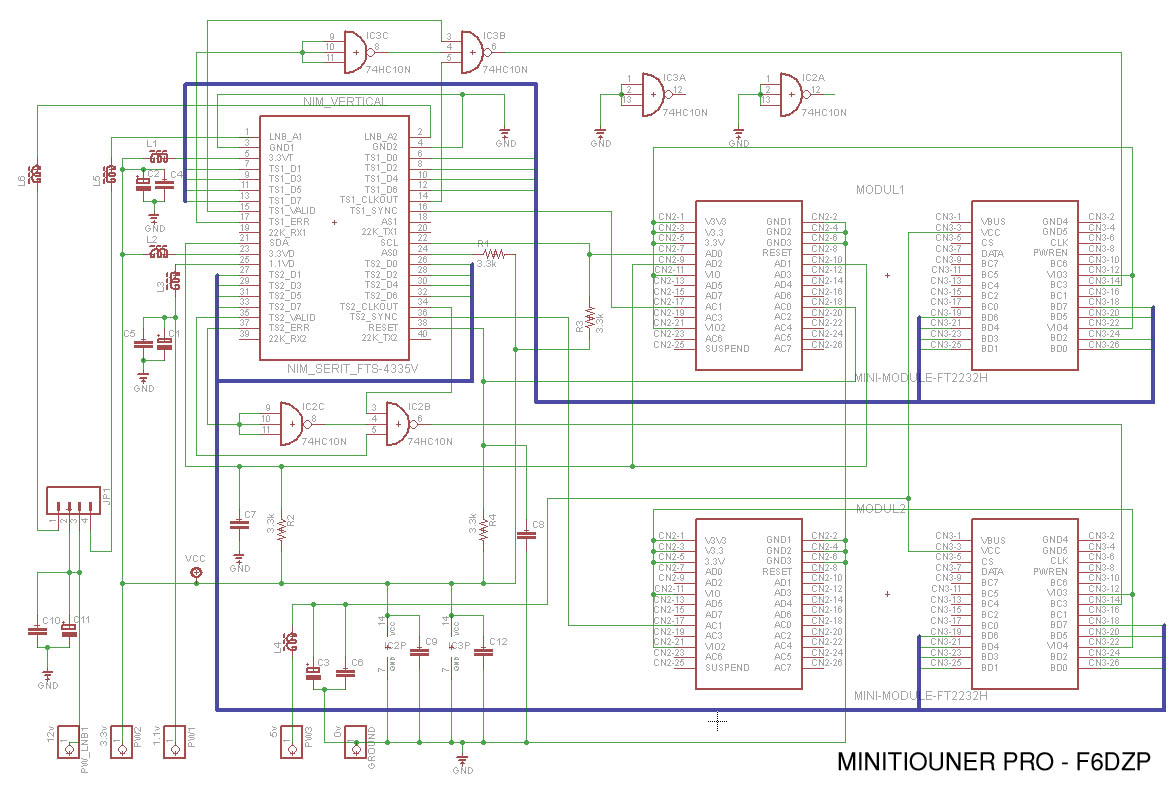
- MiniTiounerPro_schematic_sheet1_1400.jpg (111.9 Kio) Vu 27160 fois

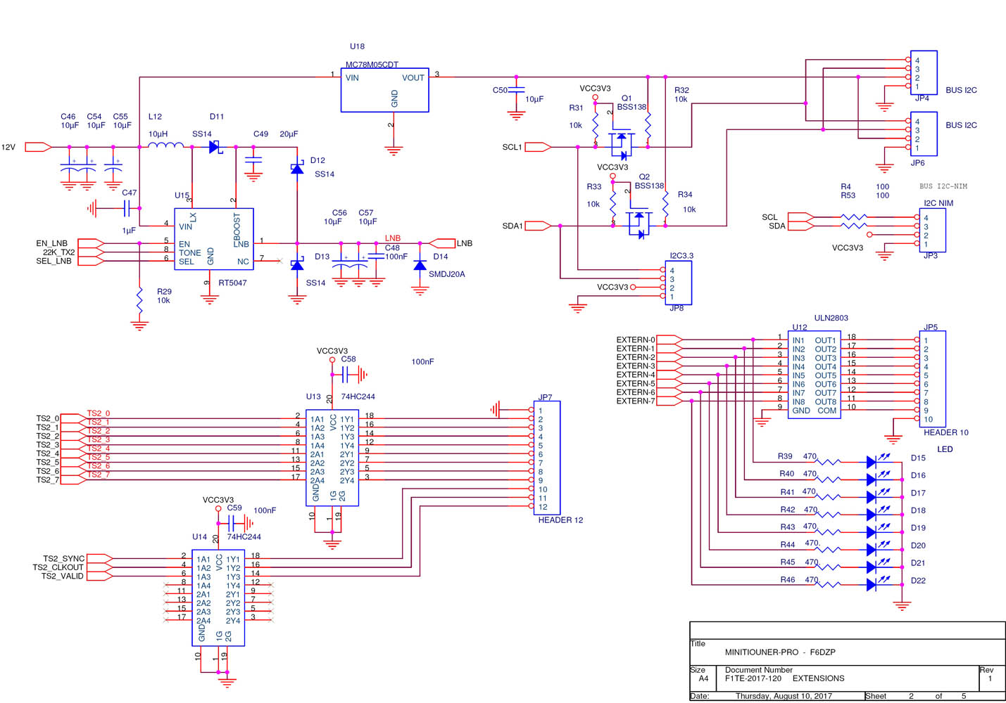
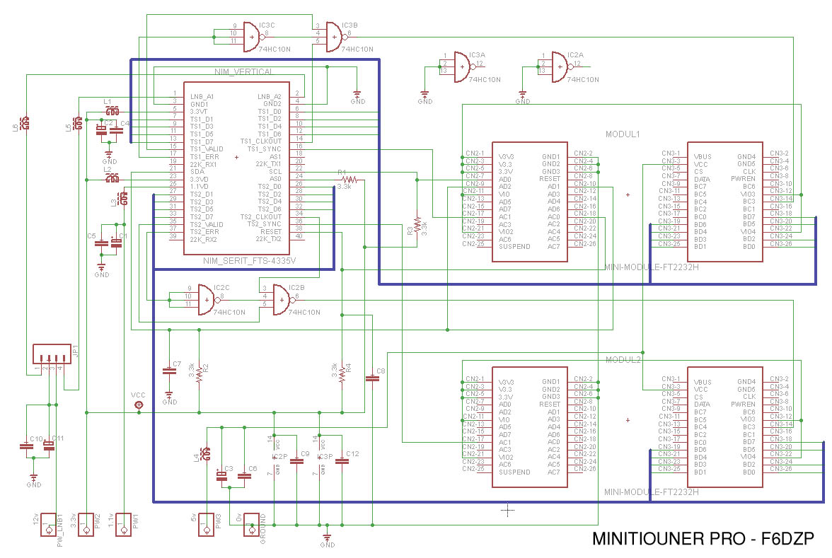
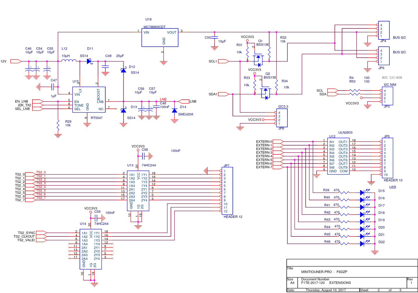
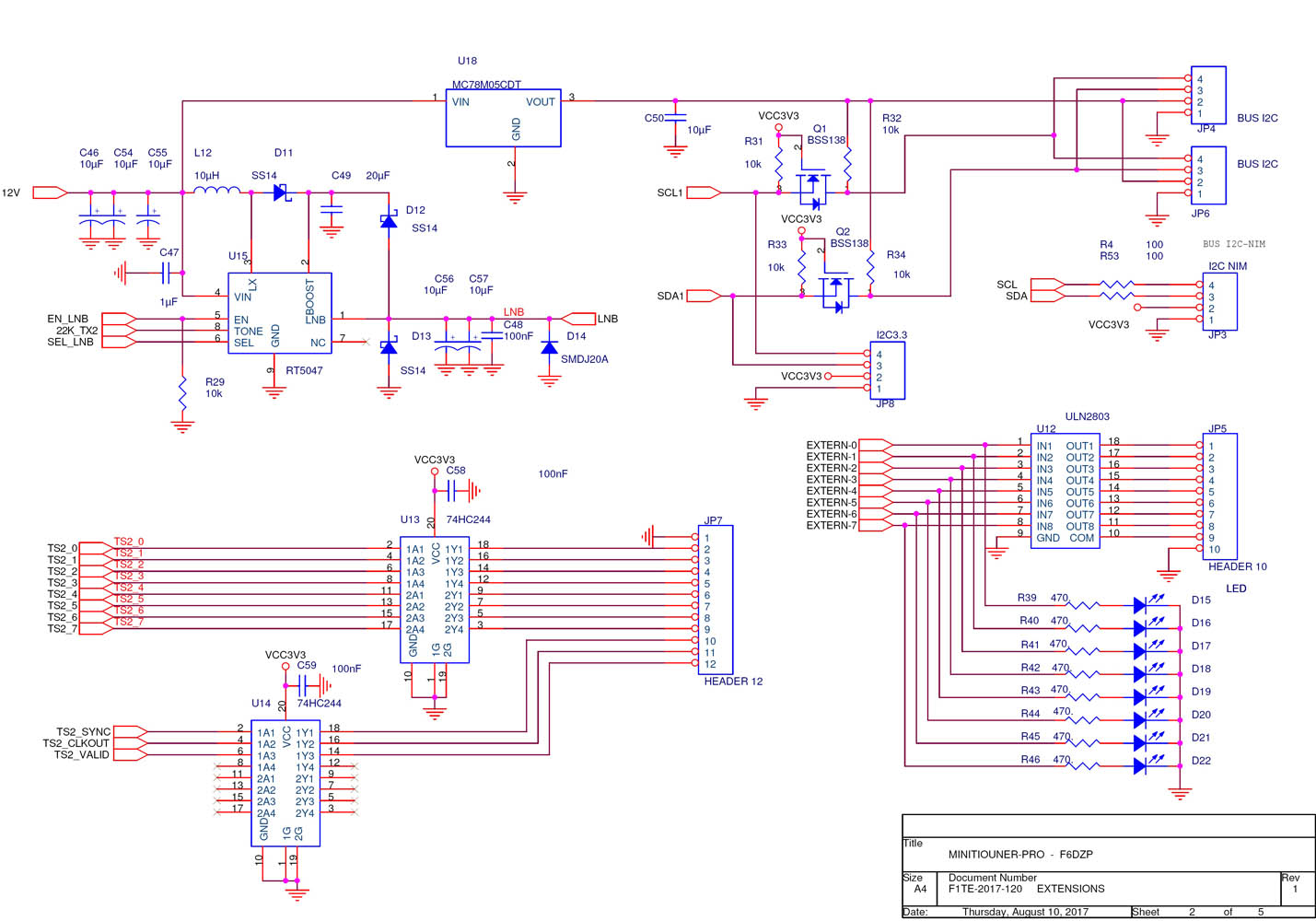
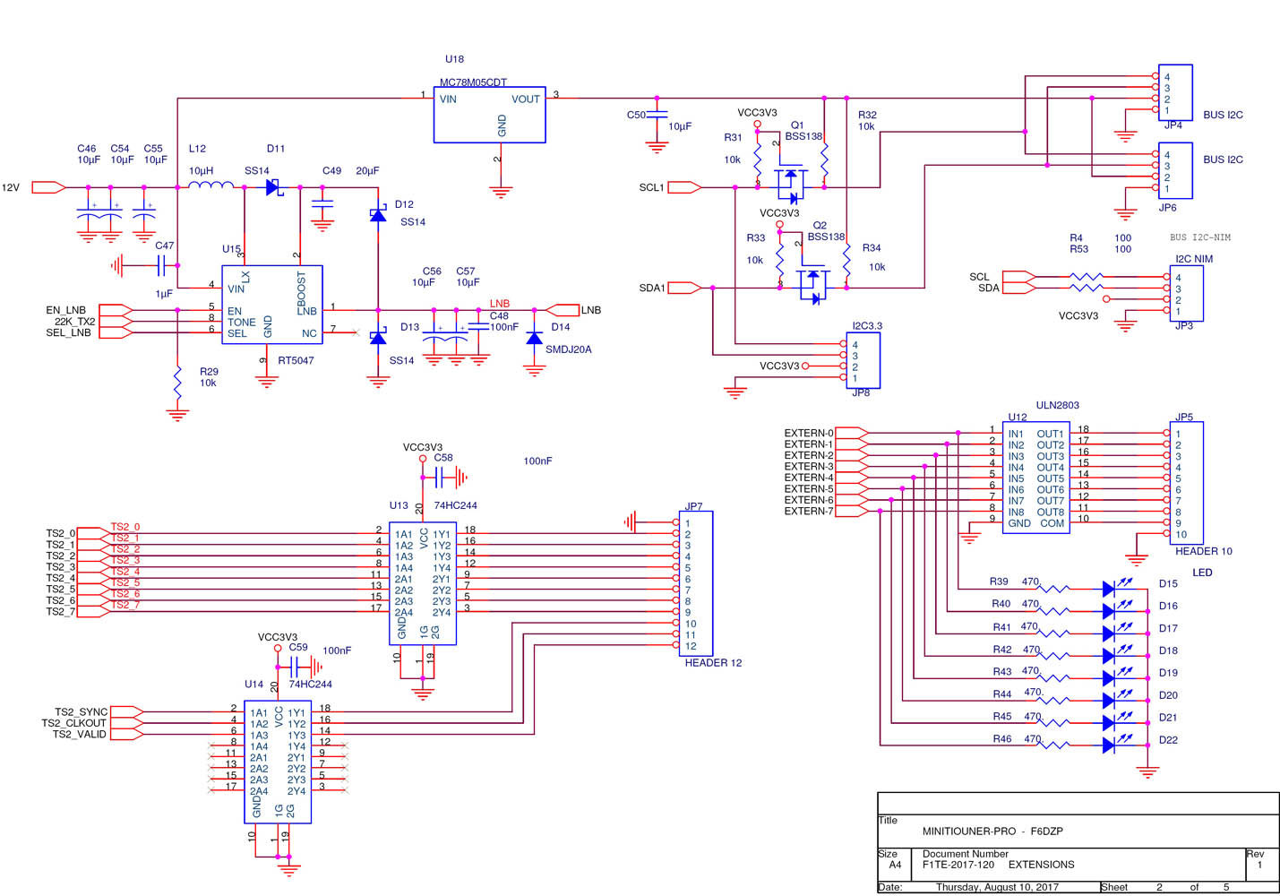
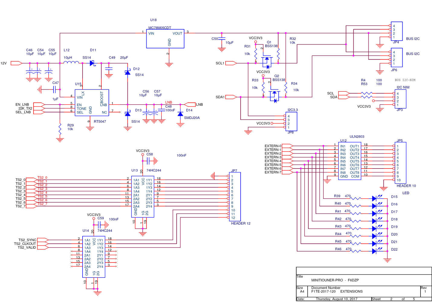
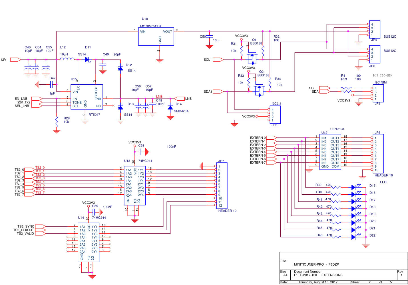
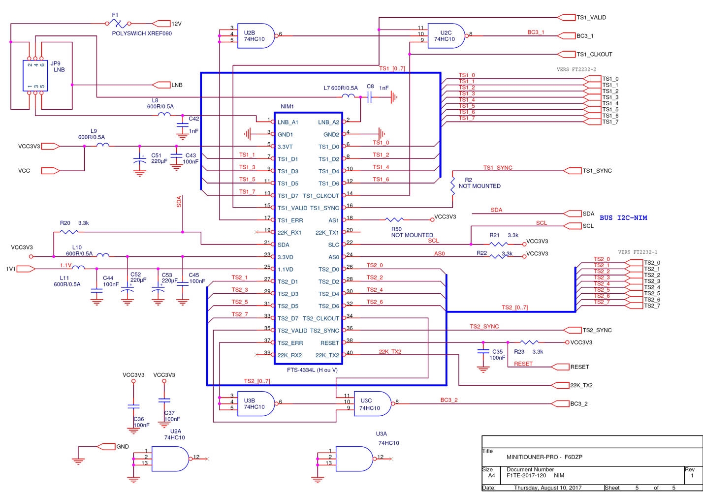
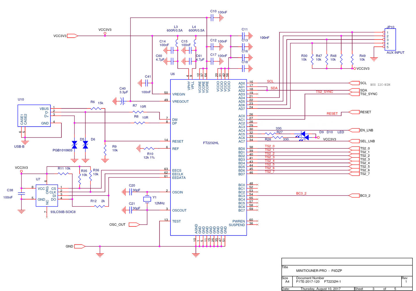
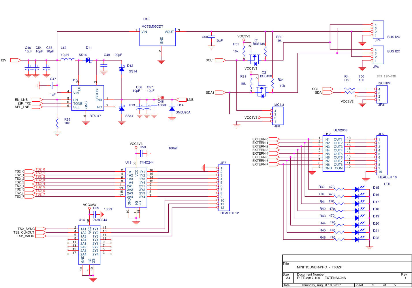
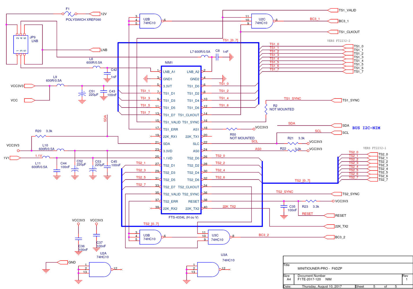
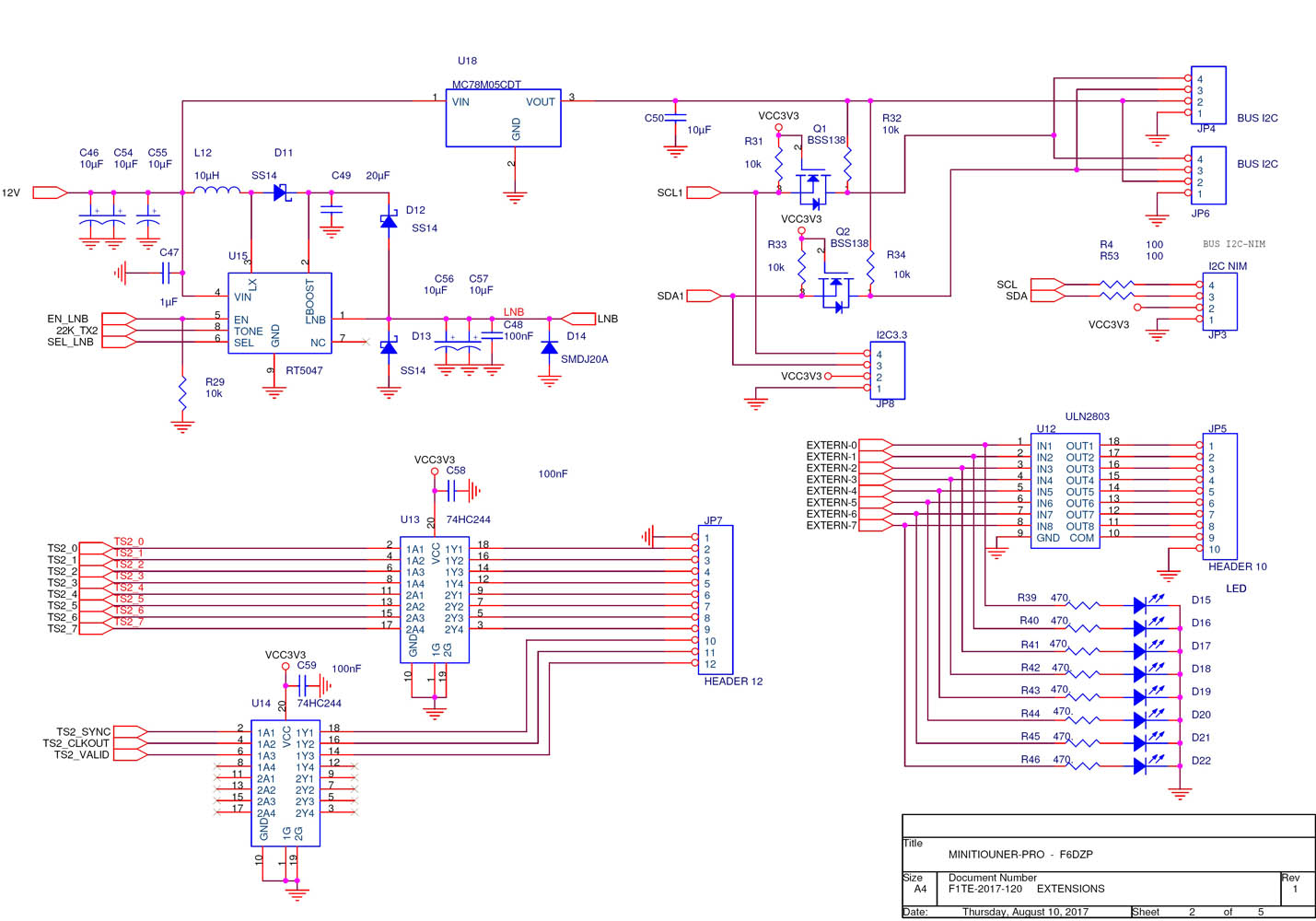
- MiniTiounerPro_schematic_sheet2_1400.jpg (224.97 Kio) Vu 27160 fois

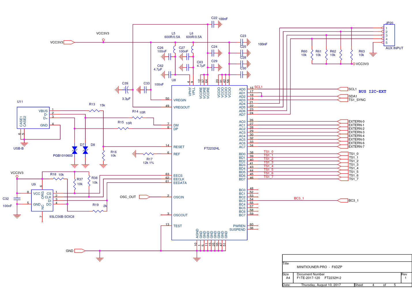
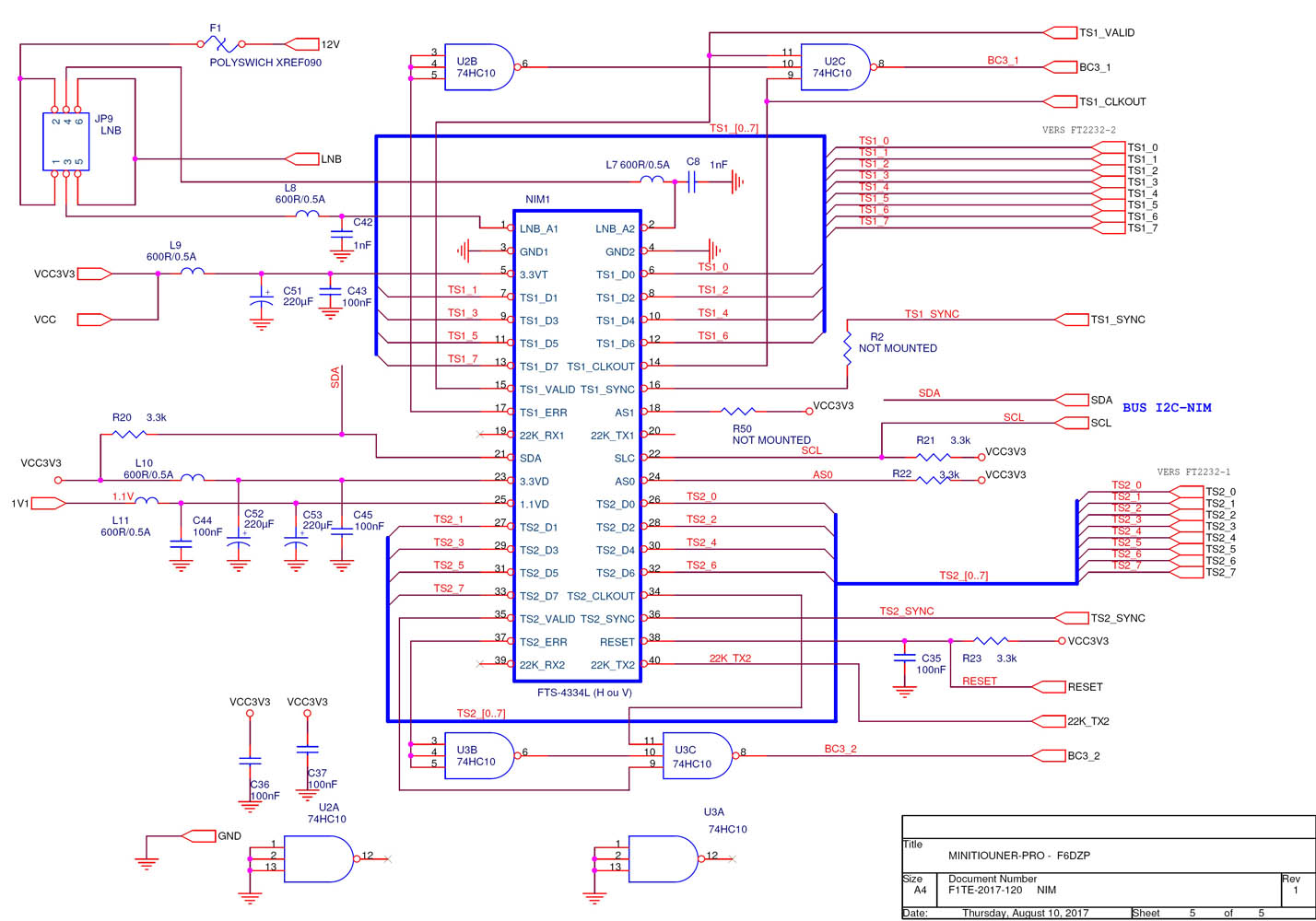
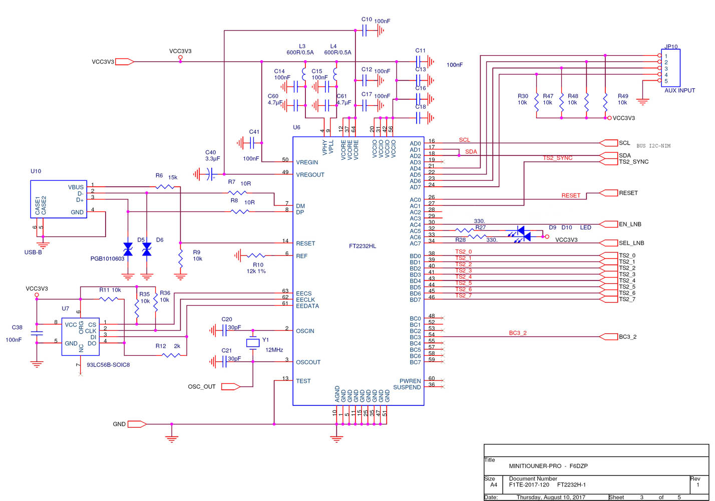
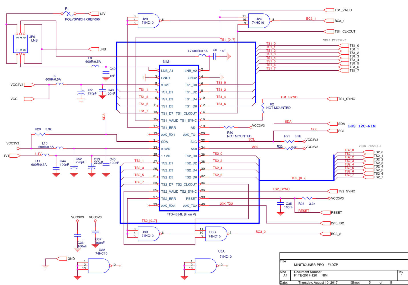
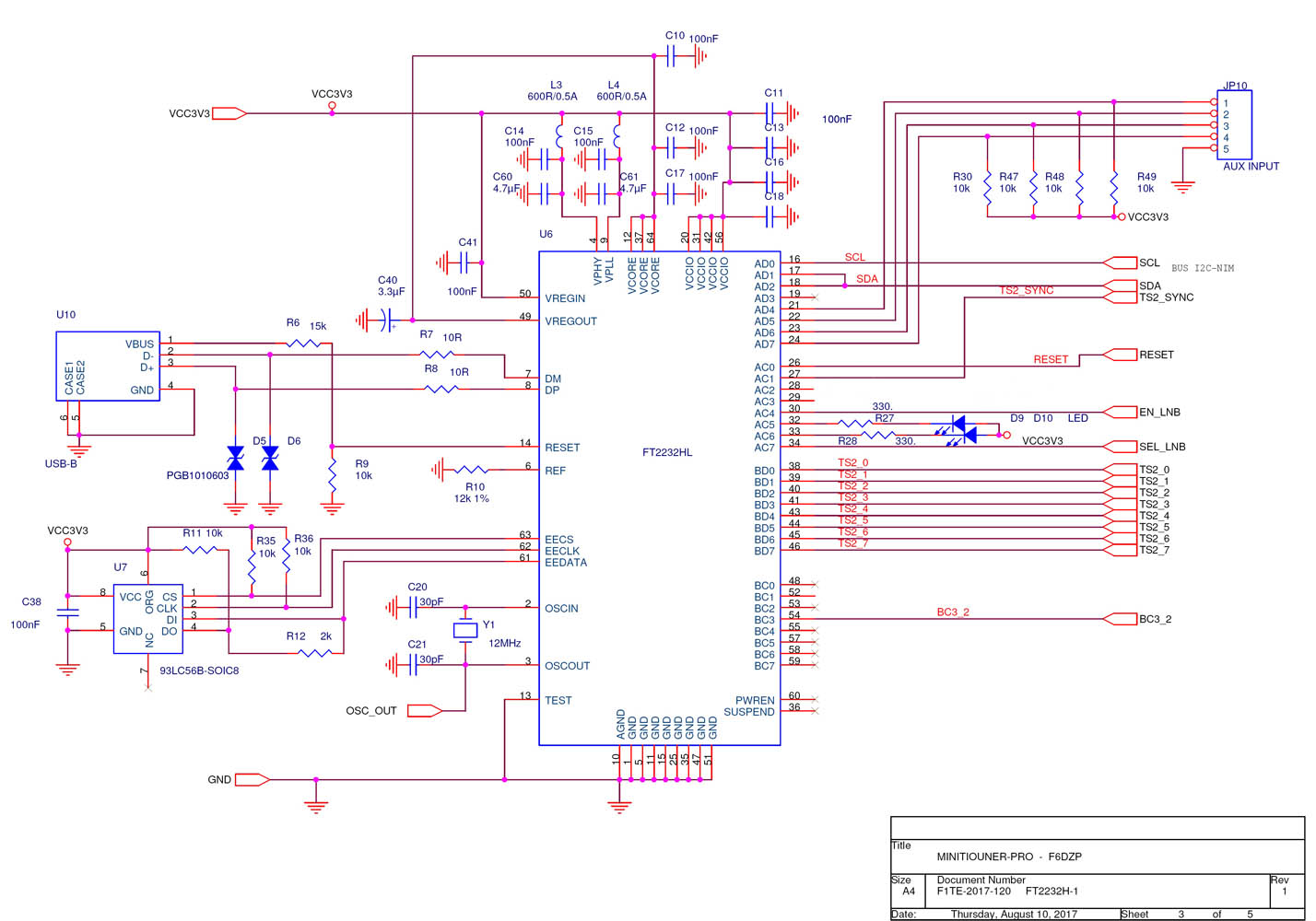
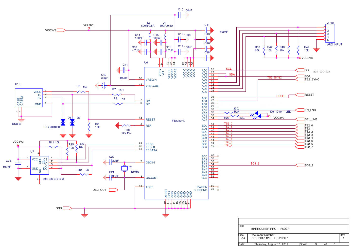
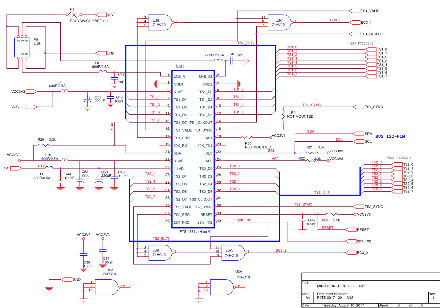
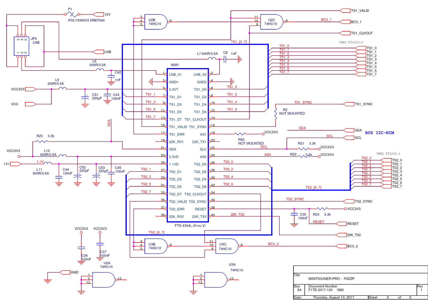
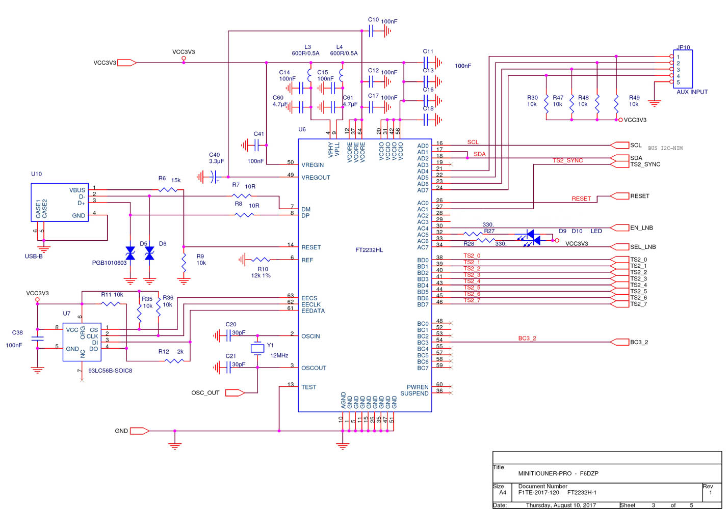
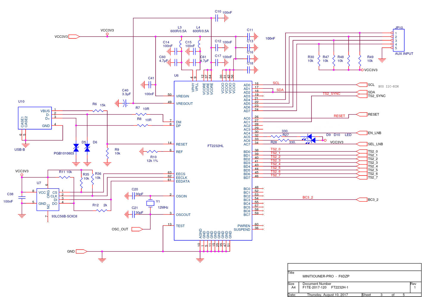
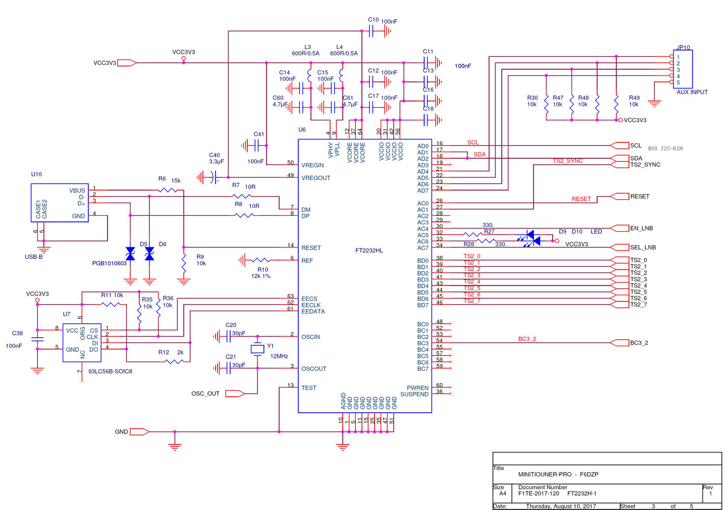
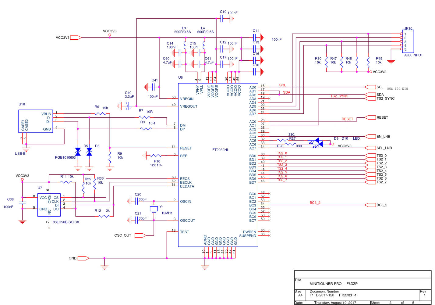
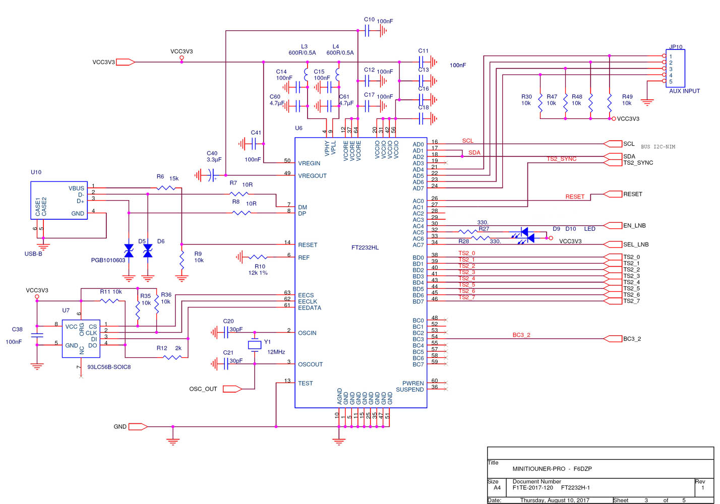
- MiniTiounerPro_schematic_sheet3_1400.jpg (201.04 Kio) Vu 27160 fois

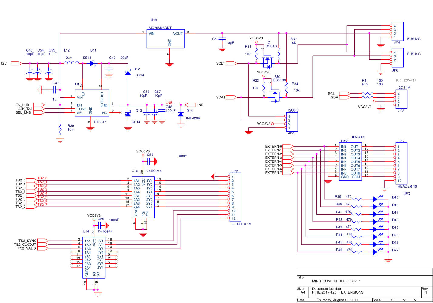
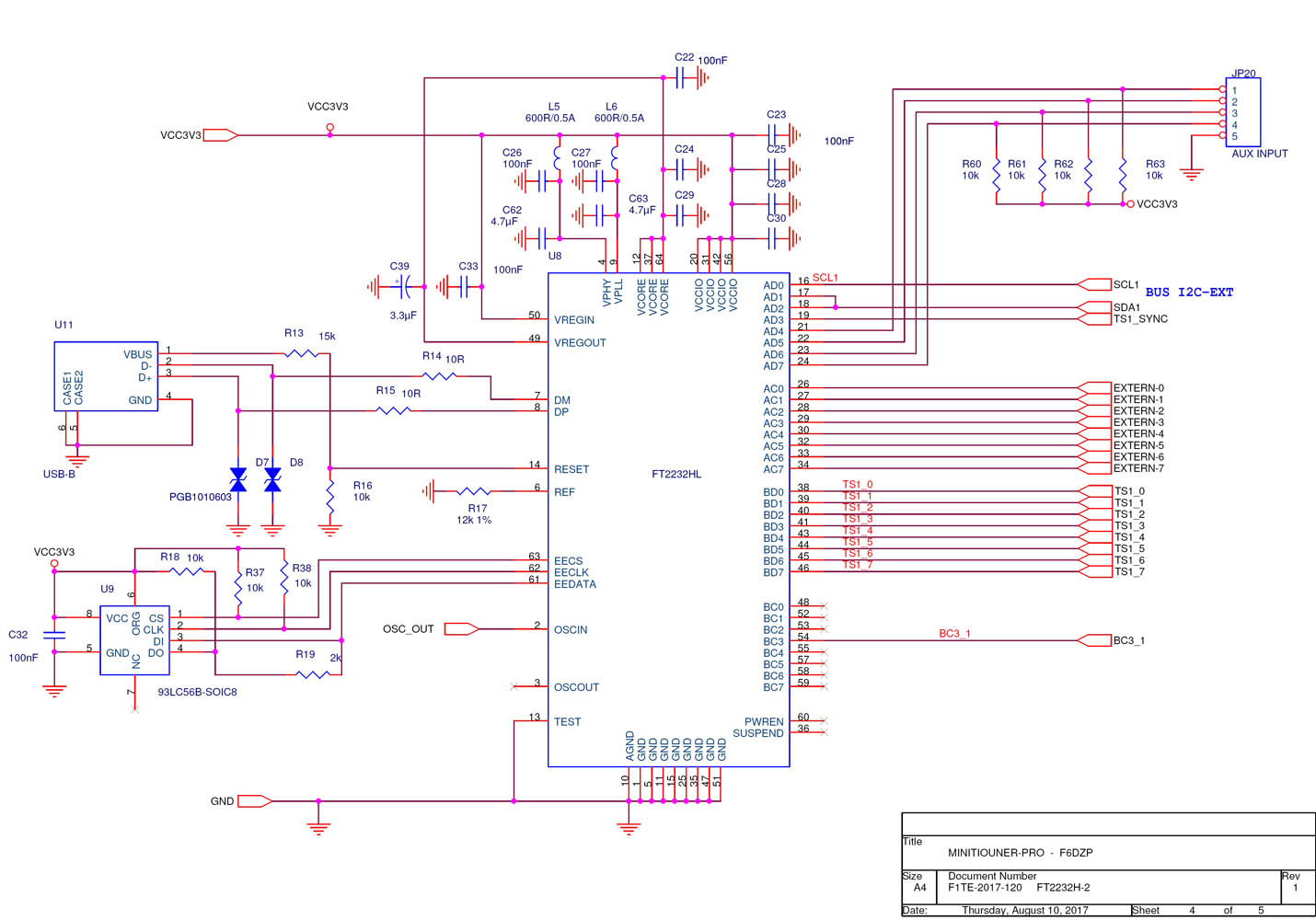
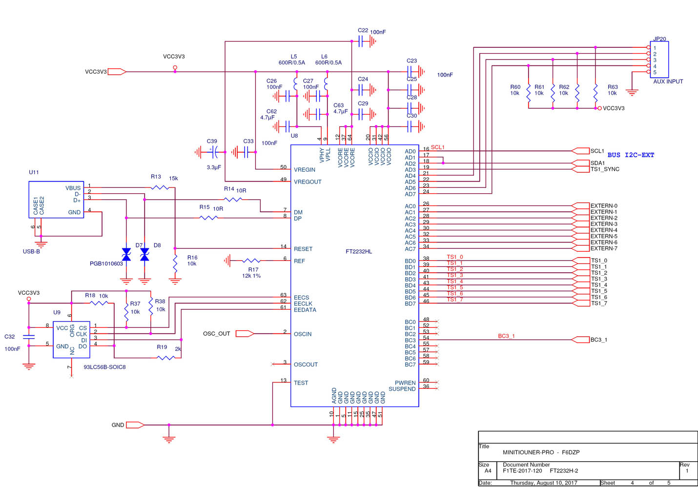
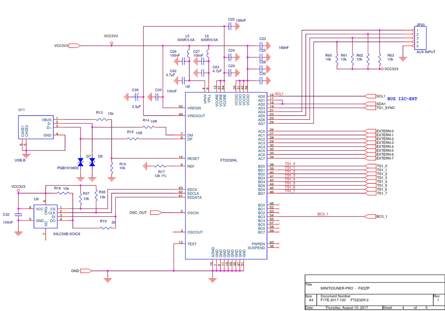
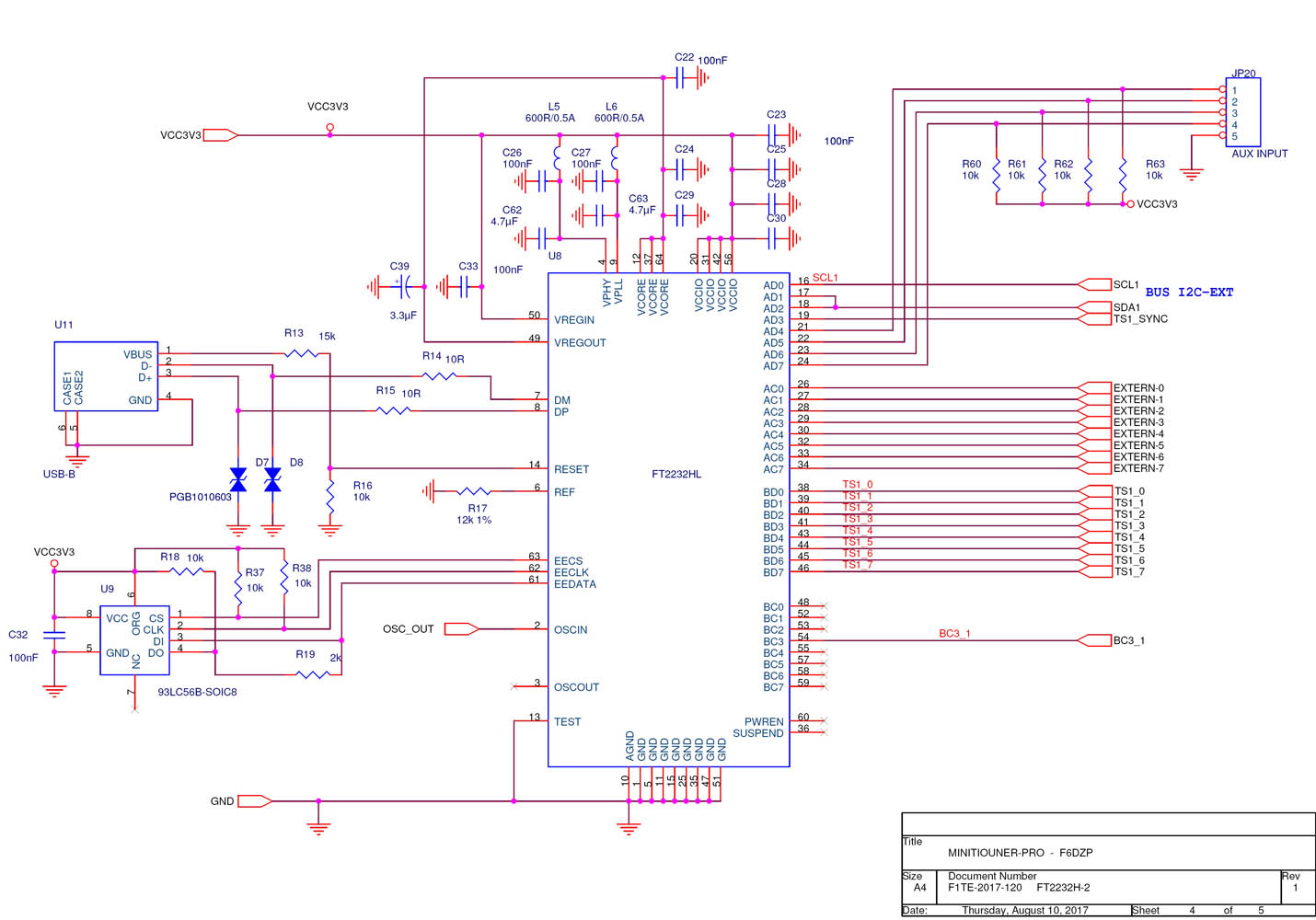
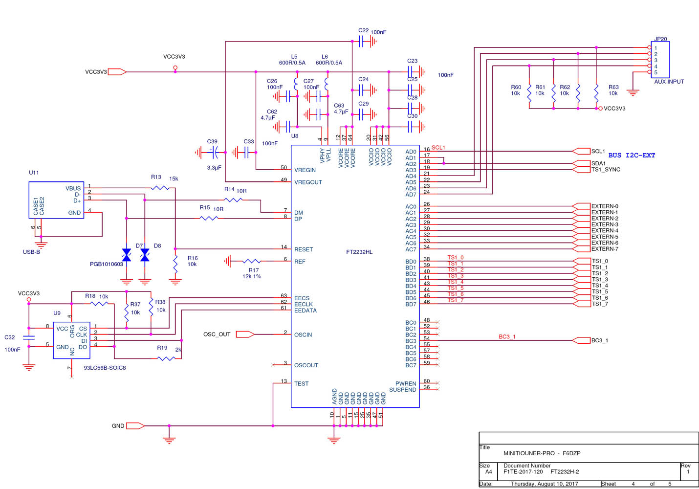
- MiniTiounerPro_schematic_sheet4_1400.jpg (196.88 Kio) Vu 27160 fois

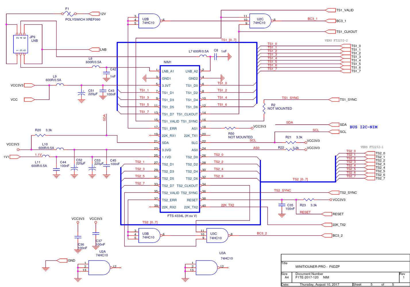
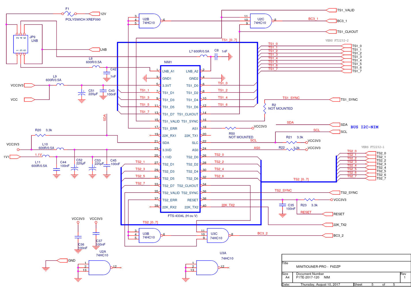
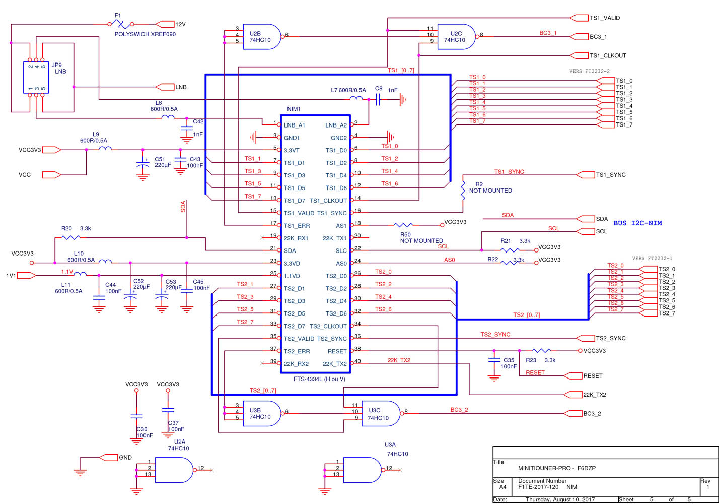
- MiniTiounerPro_schematic_sheet5_1400.jpg (232.08 Kio) Vu 27160 fois
.... to be continued .....